EasyManua.ls Logo

Subaru LEGACY 2002 - Page 382

Subaru LEGACY 2002
642 pages
Print Icon
To Next Page IconTo Next Page
To Next Page IconTo Next Page
To Previous Page IconTo Previous Page
To Previous Page IconTo Previous Page
Loading...
ABS
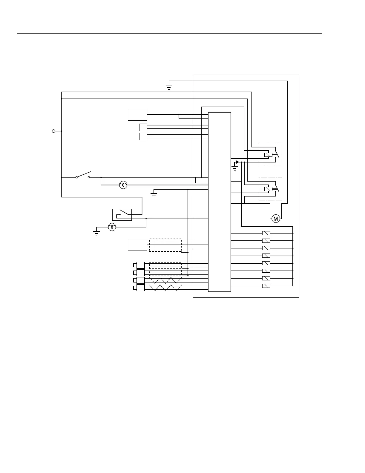
ANTI-LOCK BRAKE SYSTEM (ABS)
ABS-4
(1) ABS control module and hydraulic
control unit
(10) Rear left inlet solenoid valve (19) Stop light
(2) ABS control module section (11) Rear left outlet solenoid valve (20) G sensor
(3) Valve relay (12) Rear right inlet solenoidvalve (21) Front left ABS sensor
(4) Motor relay (13) Rear right outlet solenoid valve (22) Front right ABS sensor
(5) Motor (14) Automatic transmission control
module
(23) Rear left ABS sensor
(6) Front left inlet solenoid valve (15) Diagnosis connector (24) Rear right ABS sensor
(7) Front left outlet solenoid valve (16) Data link connector (25) IGN
(8) Front right inlet solenoid valve (17) ABS warning light (26) BATTERY
(9) Front right outlet solenoid valve (18) Stop light switch
(1)
(2)
(3)
(4)
(5)
(6)
(7)
(8)
(9)
(10)
(11)
(12)
(13)
(17)
(18)
(19)
(20)
(21)
(22)
(23)
(24)
(14)
(15)
(16)
(25)
(26)
B4H0580A

Table of Contents

Other manuals for Subaru LEGACY 2002

Related product manuals