EasyManua.ls Logo

Subaru LEGACY 2002 - Page 512

Subaru LEGACY 2002
642 pages
Print Icon
To Next Page IconTo Next Page
To Next Page IconTo Next Page
To Previous Page IconTo Previous Page
To Previous Page IconTo Previous Page
Loading...
HVAC System (Heater, Ventilator and A/C)
COMPRESSOR CONTROL SYSTEM
AC-40
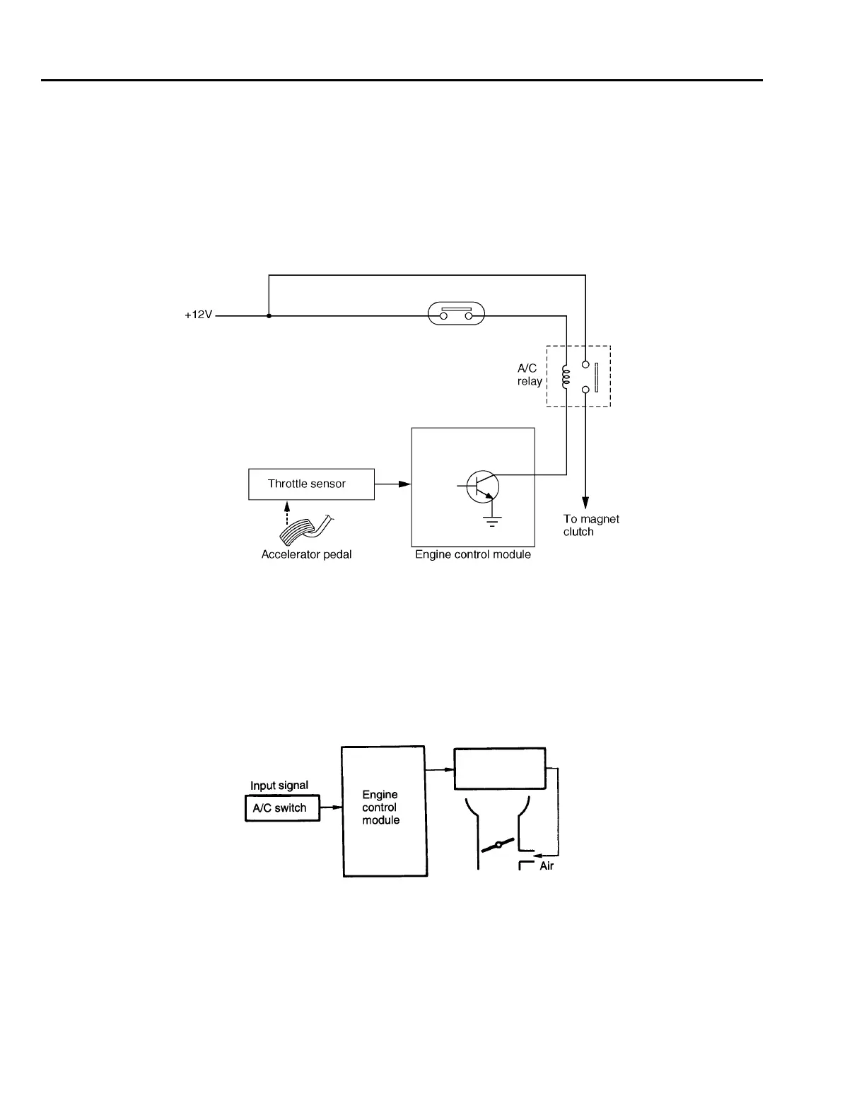
C: ACCELERATION CUT SYSTEM
The A/C switch turns the air conditioning system ON and OFF. The on-off signals from the switch
are transmitted to the engine control module (ECM).
When the ECM receives a full-throttle signal from the throttle sensor during compressor operation,
it deactivates the A/C relay to interrupt electric current to the compressor magnet clutch. This pre-
vents the degradation of acceleration performance. The A/C relay is in the main fuse box located
on the left side of the engine compartment.
D: IDLE SPEED CONTROL
The idle air control solenoid valve increases the engine idling speed when the compressor is in
operation.
The engine control module activates the idle air control solenoid valve when it receives an A/C
switch ON signal so that necessary by-pass air is introduced into the throttle body to ensure proper
idling speed for an increased engine load.
Pressure sw
B4H1834B
Idle air control
solenoid valve
B4H0181A

Table of Contents