EasyManua.ls Logo

Subaru LEGACY 2002 - Page 562

Subaru LEGACY 2002
642 pages
Print Icon
To Next Page IconTo Next Page
To Next Page IconTo Next Page
To Previous Page IconTo Previous Page
To Previous Page IconTo Previous Page
Loading...
Glass/Windows/Mirrors
POWER WINDOW
GW-2
1. Power Window
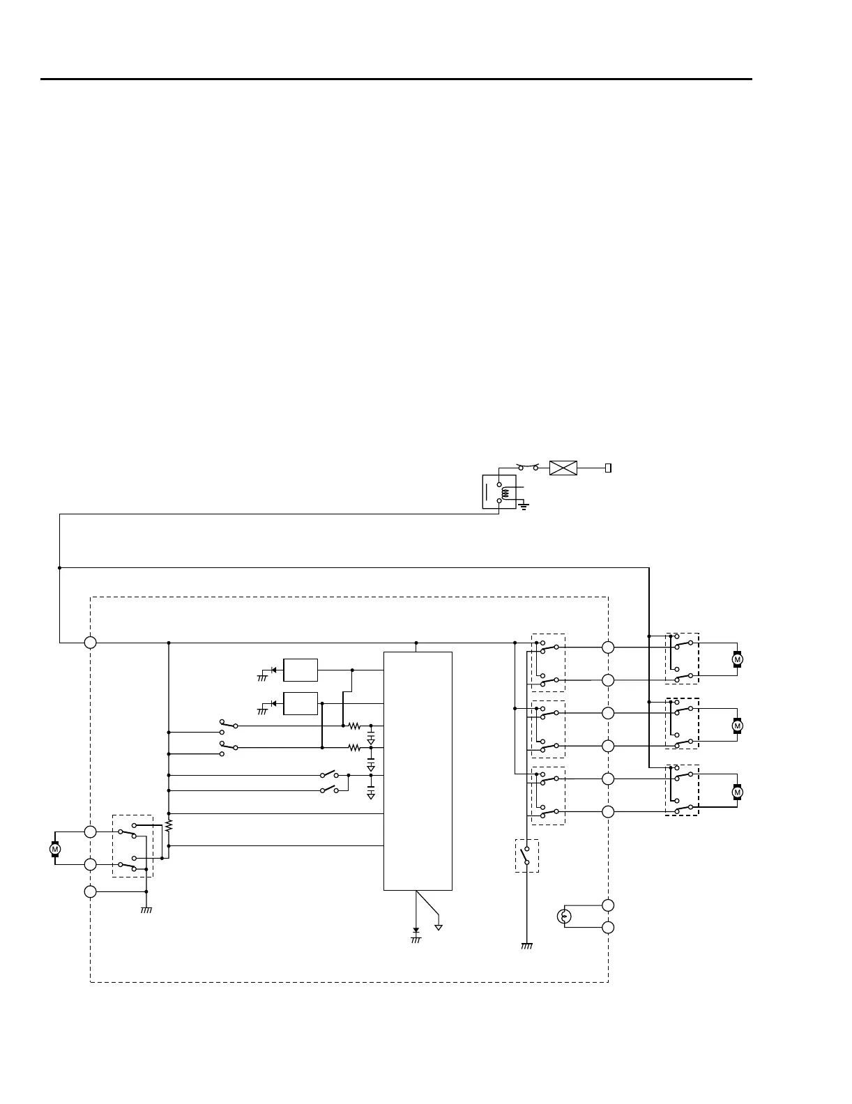
A: CONSTRUCTION
! The power window system consists of regulator motors and switches for individual doors, relays
and a circuit breaker unit.
! Each door window opens/closes by pushing down/pulling up the switch.
! Only the driver’s door window switch has a 2-stage mechanism:
! When the switch is pushed lightly and held in the pushed position, the window continues to
lower until the switch is released.
! When the switch is pushed down fully, the window lowers to the end position automatically.
NOTE:
For the sake of safety, the power window system is designed to operate only when the ignition
switch is in the ON position.
B: CIRCUIT DIAGRAM
P/W Main SW
Up
relay
Down
relay
Relay
Resistor
Up
Down
GND
Up
Asst
Asst SW
RrL SW
RrR SW
Down
Up
RrL
Down
Up
RrR
Down
Up
Down
Up
Down
Up
Down
W/L SW
LP1
Auto circuit
Auto Up SW
Auto Dn SW
Up SW
Dn SW
B6H1684A

Table of Contents

Other manuals for Subaru LEGACY 2002

Related product manuals