EasyManua.ls Logo

Sukup Sweepway - Page 63

Default Icon
92 pages
Print Icon
To Next Page IconTo Next Page
To Next Page IconTo Next Page
To Previous Page IconTo Previous Page
To Previous Page IconTo Previous Page
Loading...
Parts/Assemblies
63
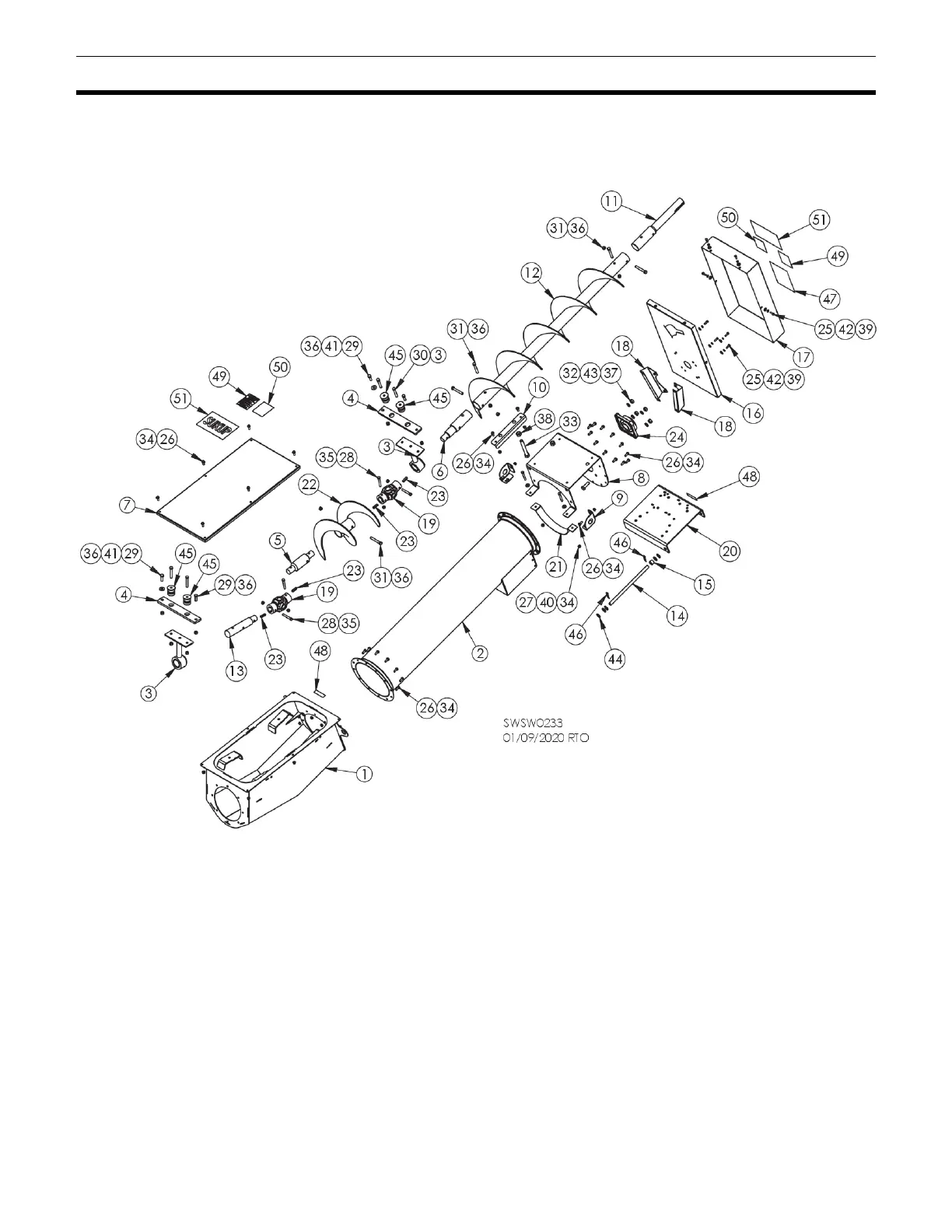
20° INCLINE AUGER FOR 10” UNLOAD
(E5010 – 3-belt)