EasyManua.ls Logo

Sukup Sweepway - Page 65

Default Icon
92 pages
Print Icon
To Next Page IconTo Next Page
To Next Page IconTo Next Page
To Previous Page IconTo Previous Page
To Previous Page IconTo Previous Page
Loading...
Parts/Assemblies
65
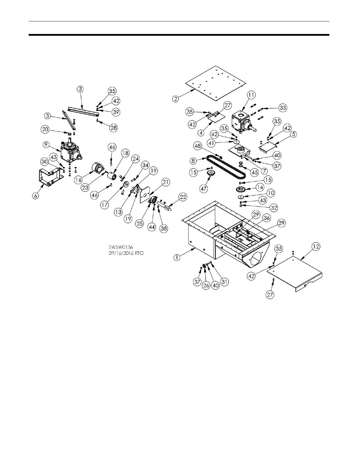
6" SWEEPWAY CENTER SUMP