EasyManua.ls Logo

SunSynk SYNK-8K-SG04LP3 - Wiring System for Inverter

SunSynk SYNK-8K-SG04LP3
76 pages
Print Icon
To Next Page IconTo Next Page
To Next Page IconTo Next Page
To Previous Page IconTo Previous Page
To Previous Page IconTo Previous Page
Loading...
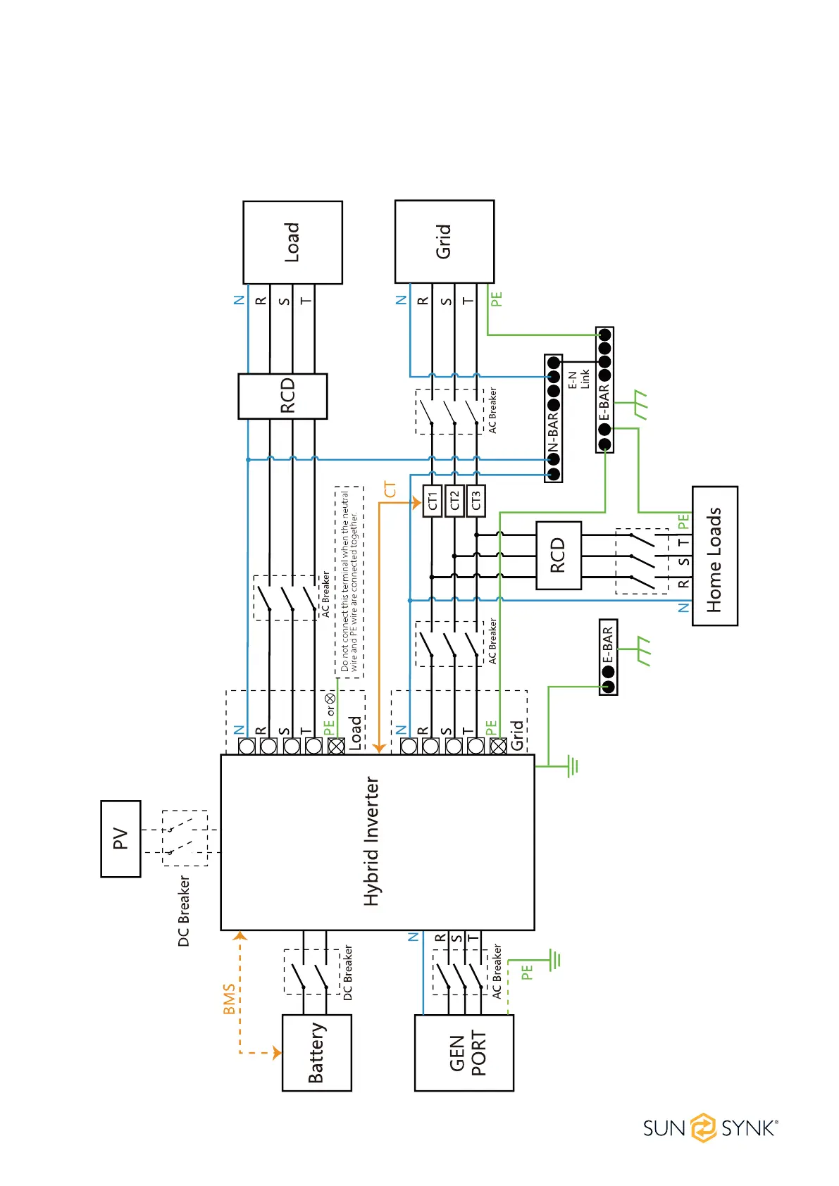
THREE PHASE HI 8~12kW | Installer Manual26
Wiring System for Inverter
The following diagram is an example of an application where the neutral connects with the PV in a distribu-
tion box.
For countries such as Australia, New Zealand, South Africa, etc., please follow local wiring regulations!

Table of Contents

Related product manuals