EasyManua.ls Logo

SUNWARD SWL2820 - Page 89

SUNWARD SWL2820
91 pages
Print Icon
To Next Page IconTo Next Page
To Next Page IconTo Next Page
To Previous Page IconTo Previous Page
To Previous Page IconTo Previous Page
Loading...
SWL2820 Operator’s Manual
88
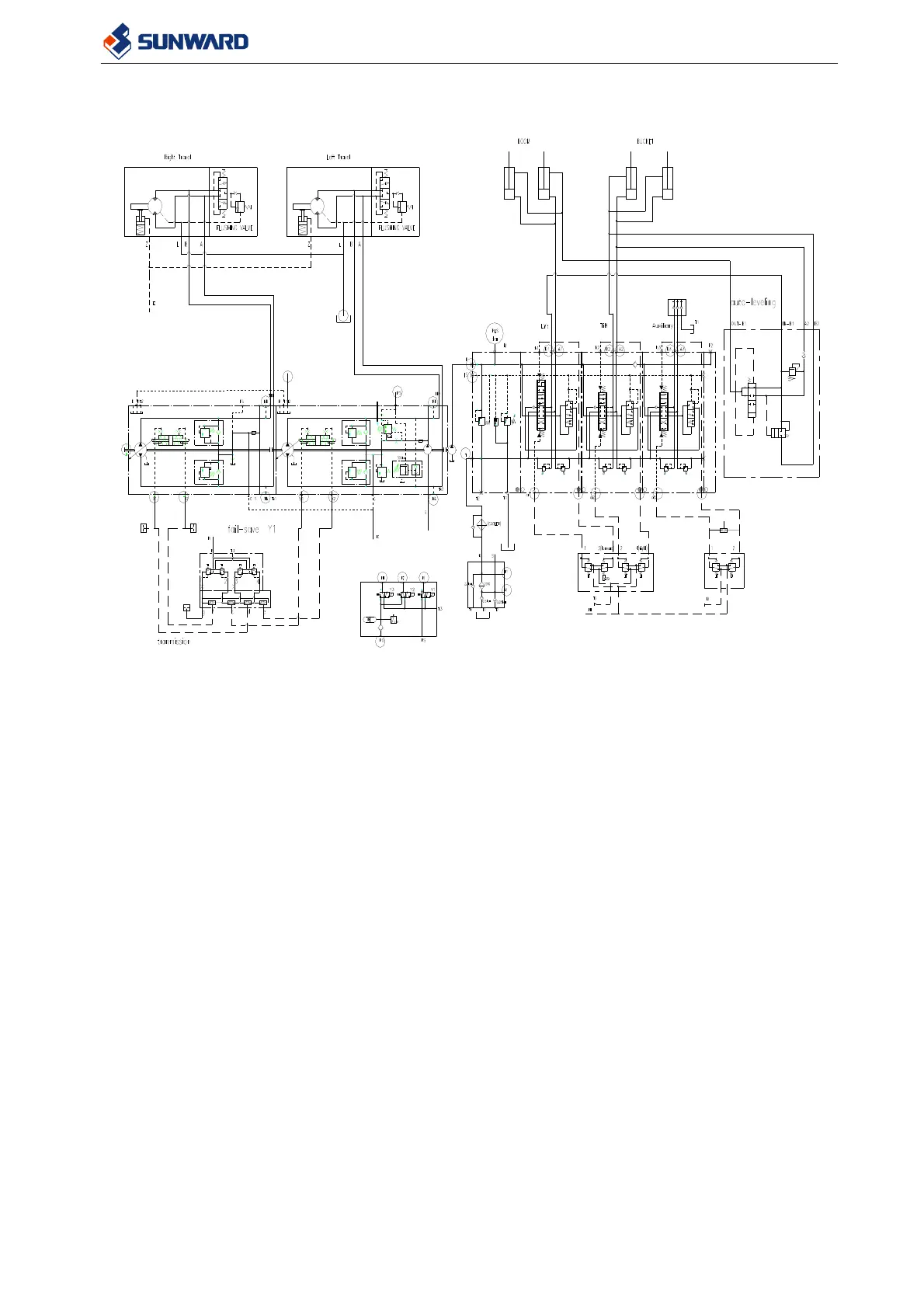
SWL2820 Hydraulic Diagram

Table of Contents

Other manuals for SUNWARD SWL2820

Related product manuals