EasyManua.ls Logo

Suzuki Swift - Page 234

Suzuki Swift
557 pages
Print Icon
To Next Page IconTo Next Page
To Next Page IconTo Next Page
To Previous Page IconTo Previous Page
To Previous Page IconTo Previous Page
Loading...
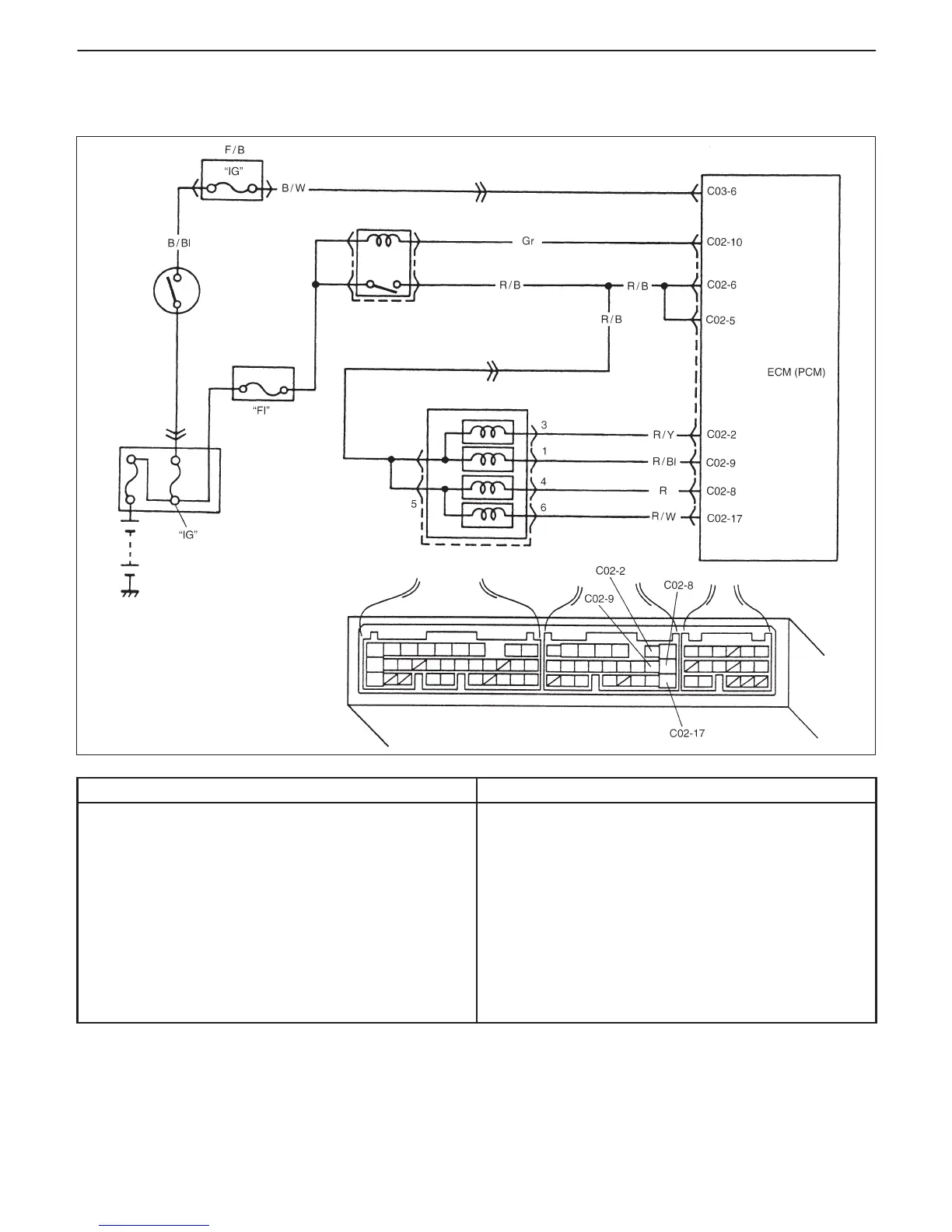
6-1-78 ENGINE GENERAL INFORMATION AND DIAGNOSIS (SFI FOR G13)
Ignition
switch
Main fuse
Relay
box
Main
relay
EGR valve
2
C13
DTC P0400 EXHAUST GAS RECIRCULATION FLOW MALFUNCTION
CIRCUIT DESCRIPTION
DTC DETECTING CONDITION POSSIBLE CAUSE
D While running at specified vehicle speed after
engine warm-up
D During deceleration (engine speed high with closed
throttle position ON) in which fuel cut is involved,
difference in intake manifold absolute pressure
between when EGR valve is opened at specified
value and when it is closed is larger or smaller than
specified value.
: 2 driving cycle detection logic, monitoring once/1
driving
D EGR valve or its circuit
D EGR passage
D ECM (PCM)

Table of Contents