EasyManua.ls Logo

Swann AMI Oxytrace - Electrical Connection Diagram AMI Oxytrace QED

Swann AMI Oxytrace
98 pages
Print Icon
To Next Page IconTo Next Page
To Next Page IconTo Next Page
To Previous Page IconTo Previous Page
To Previous Page IconTo Previous Page
Loading...
28 A-96.250.531 / 300617
AMI Oxytrace QED
Installation
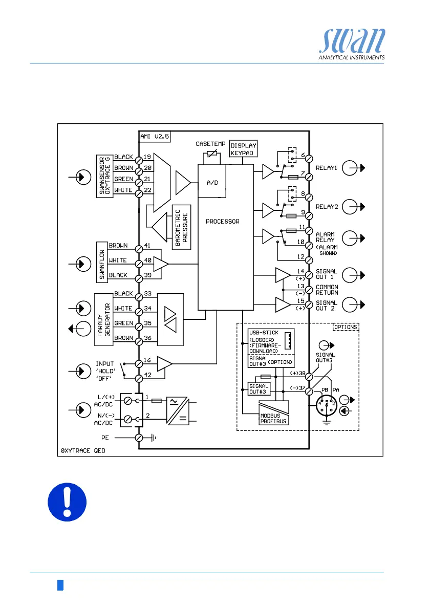
3.5.2 Electrical Connection Diagram AMI Oxytrace QED
CAUTION
Use only the terminals shown in this diagram, and only for the
mentioned purpose. Use of any other terminals will cause short
circuits with possible corresponding consequences to material
and personnel.

Table of Contents

Other manuals for Swann AMI Oxytrace