EasyManua.ls Logo

Taco SKV SelfSensing - Page 11

Taco SKV SelfSensing
86 pages
Print Icon
To Next Page IconTo Next Page
To Next Page IconTo Next Page
To Previous Page IconTo Previous Page
To Previous Page IconTo Previous Page
Loading...
Taco® SKV
11
302-365, Effective: June 5, 2017
© 2017 Taco, Inc.
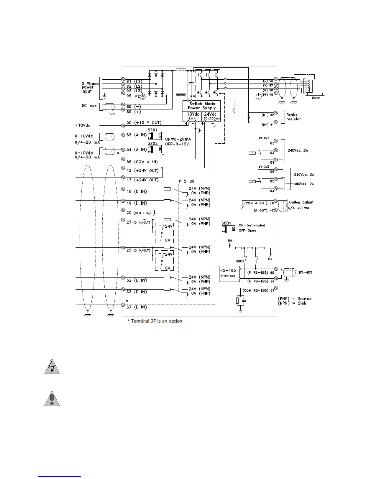
Figure 8-3 shows a basic electrical connection.
Figure 8-3: Basic Wiring Schematic Drawing
DANGER: EQUIPMENT HAZARD! Rotating shafts and electrical equipment can be hazardous. All electri-
cal work must conform to national and local electrical codes. It is strongly recommended that installation,
start-up, and maintenance be performed only by trained and qualified personnel. Failure to follow these
guidelines could result in death or serious injury.
CAUTION: WIRING ISOLATION! Run input power, motor wiring and control wiring in three separate
metallic conduits or use separated shielded cable for high frequency noise isolation. Failure to isolate
power, motor and control wiring could result in less than optimum adjustable frequency drive and associ-
ated equipment performance.

Table of Contents

Related product manuals