EasyManua.ls Logo

TCM FB30-7 - Adjusting Preload of Rear Wheel Bearing

TCM FB30-7
175 pages
Print Icon
To Next Page IconTo Next Page
To Next Page IconTo Next Page
To Previous Page IconTo Previous Page
To Previous Page IconTo Previous Page
Loading...
6. STEERING SYSTEM
- 88 -
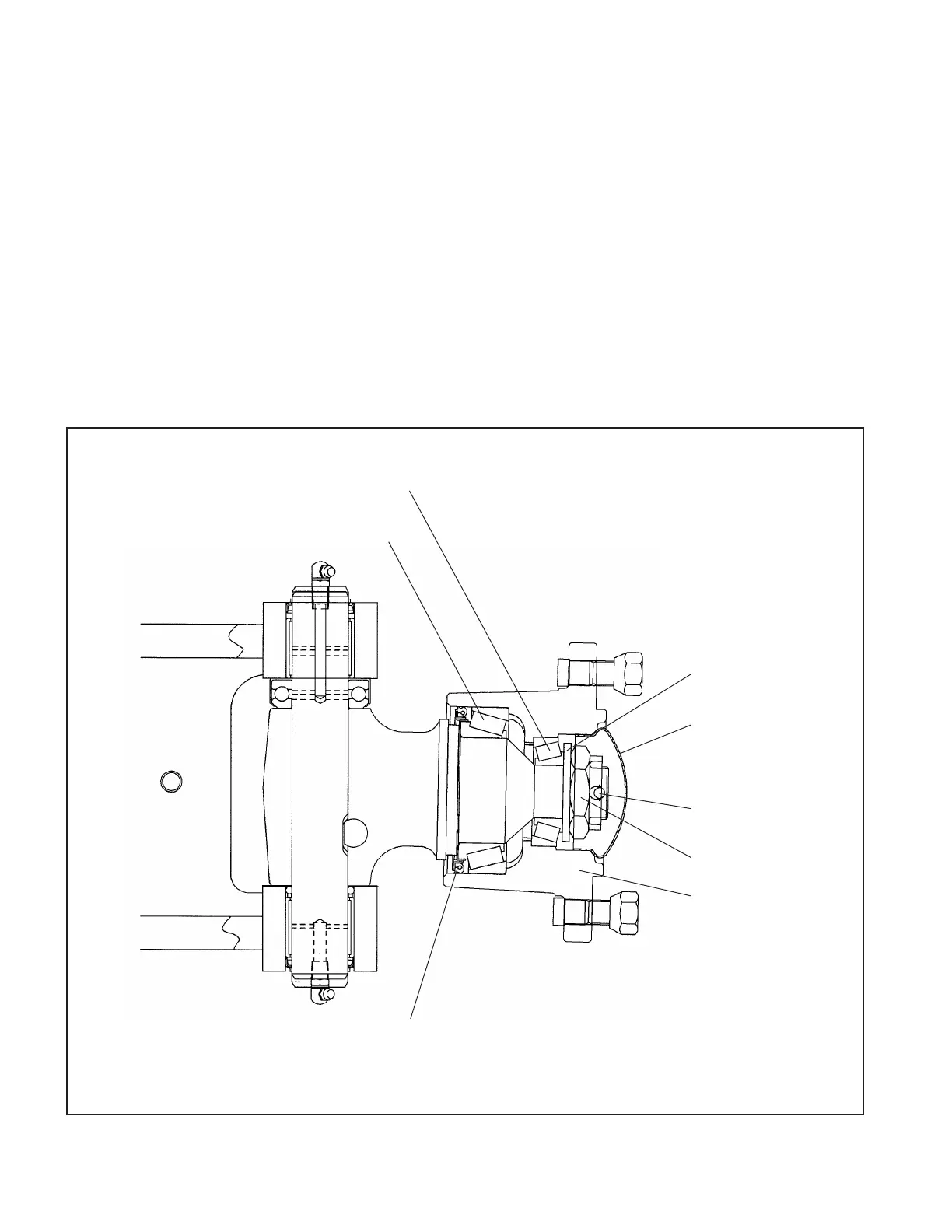
6.1.5 ADJUSTING PRELOAD OF REAR WHEEL BEARING
(1) As shown in Fig. 6.9, apply grease to the hub, inner bearing, outer bearing, and cap. Also apply
grease to the oil seal lips.
(2) Set the bearings on the hub, then installed the hub on the knuckle spindle.
(3) Place a washer, then tighten the adjustment nut with a torque of 206 to 235 N-m {21 to 24 kgf-m}
[1823 to 2080 lbf-in.]. Loosen the adjustment nut, then retighten it with a torque of 9.8 N-m {1
kgf-m} [86.7 lbf-in.].
(4) Gently tapping the hub with a mallet, make sure there is no looseness.
(5) Tighten the hub with a mallet, give it a few turns. Then measure the starting torque.
(6) Tapping the hub with a mallet, give it a few turns. Then measure the starting torque.
Starting torque: 1.67 to 1.96 N-m {17 to 20 kgf-cm} [14.8 to 17.4 lbf-in.]
(7) If the starting torque measured is beyond the standard range, replace the washer and adjustment nut.
Then, repeat the steps from (3) to (6) till the standard range is acquired.
(8) Lock the adjustment nut with cotter pin.
OIL SEAL
Fig. 6.9 Pre-Load Adjustment
OUTER BEARING
INNER BEARING
WASHER
CAP
COTTER PIN
ADJUSTMENT NUT
HUB

Table of Contents

Other manuals for TCM FB30-7

Related product manuals