EasyManua.ls Logo

TCM FB30-7 - Page 122

TCM FB30-7
175 pages
Print Icon
To Next Page IconTo Next Page
To Next Page IconTo Next Page
To Previous Page IconTo Previous Page
To Previous Page IconTo Previous Page
Loading...
7. HYDRAULIC SYSTEM
- 110 -
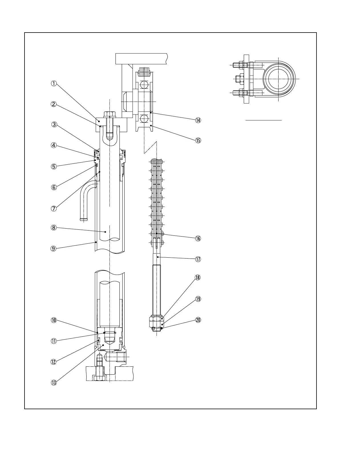
1. PISTON HEAD
2. SHIM
3. WIPER SEAL
4. ROD PACKING
5. CYLINDER CAP
6. “O”-RING
7. BUSHING
8. ROD
9. CYLINDER
10. WEAR RING
11. LOCK RING
12. PACKING
13. PISTON
14. SNAP RING
15. SHEAVE
16. CHAIN
17. ANCHOR PIN
18. ADJUSTMENT NUT
19. LOCK NUT
20. COTTER PIN
Fig. 7.8 Lift Cylinder (1- to 1.8-ton Trucks)
Cylinder support

Table of Contents

Other manuals for TCM FB30-7

Related product manuals