EasyManua.ls Logo

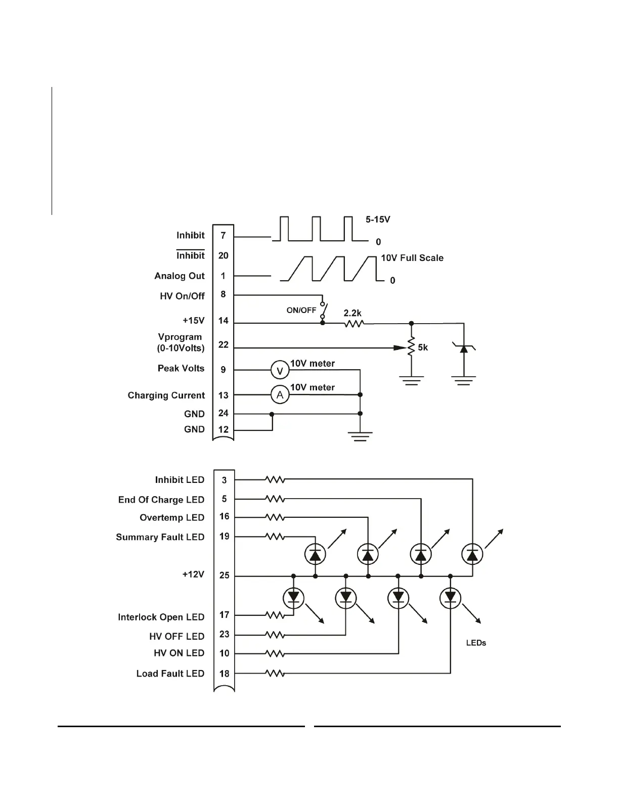
TDK-Lambda 802 Series - Figure 12 Suggested External Remote Interface Circuit; Table 6 802 Remote Interface Description

TDK-Lambda 802 Series
71 pages
Print Icon
To Next Page IconTo Next Page
To Next Page IconTo Next Page
To Previous Page IconTo Previous Page
To Previous Page IconTo Previous Page
Loading...
31
83488001 Revision N
Table 6 802 Remote Interface Description
Note 1 For 802L or 802S models, the front panel LEDs are driven by open collector drivers
that are common to the remote control interface indicator signals. A pullup resistor is not
required to sense the remote interface voltage on these signals. The user should expect the
Active logic level (low) to be between 2 and 4V. If an external pullup resistor is added, the
Active logic level (low) voltage will be higher.
For 802-OEM models, a pullup resistor is required to sense voltage levels at these outputs.
For applications that require logic level inputs the use of an opto-isolation device is
recommended.
Figure 12 Suggested external remote interface circuit.

Table of Contents

Related product manuals