EasyManua.ls Logo

TDK-Lambda Genesys GEN 3300W - 1 General Information; Introduction; Figure 1. Front Panel LAN Features; Figure 2. Rear Panel LAN Features

TDK-Lambda Genesys GEN 3300W
65 pages
Print Icon
To Next Page IconTo Next Page
To Next Page IconTo Next Page
To Previous Page IconTo Previous Page
To Previous Page IconTo Previous Page
Loading...
1. GENERAL INFORMATION
1.1. Introduction
The Local Area Network (LAN) option for the Genesys™ series power supply allows the user to remotely
program, measure and check status of the power supply. It uses an Ethernet connection like those used
to connect computers to each other and to the Internet A computer’s web page browser may be used
to operate the power supply through a built-in web page server. For applications including factory and
test automation, communication may be done using several standard network protocols and instrument
commands Refer to the Genesys™ Technical Manual for information on installing the power supply, safety
requirements, specifications, connecting the power-in and out, operating the front panel, using the serial
(RS-232/485) programming and the analog (J1) programming
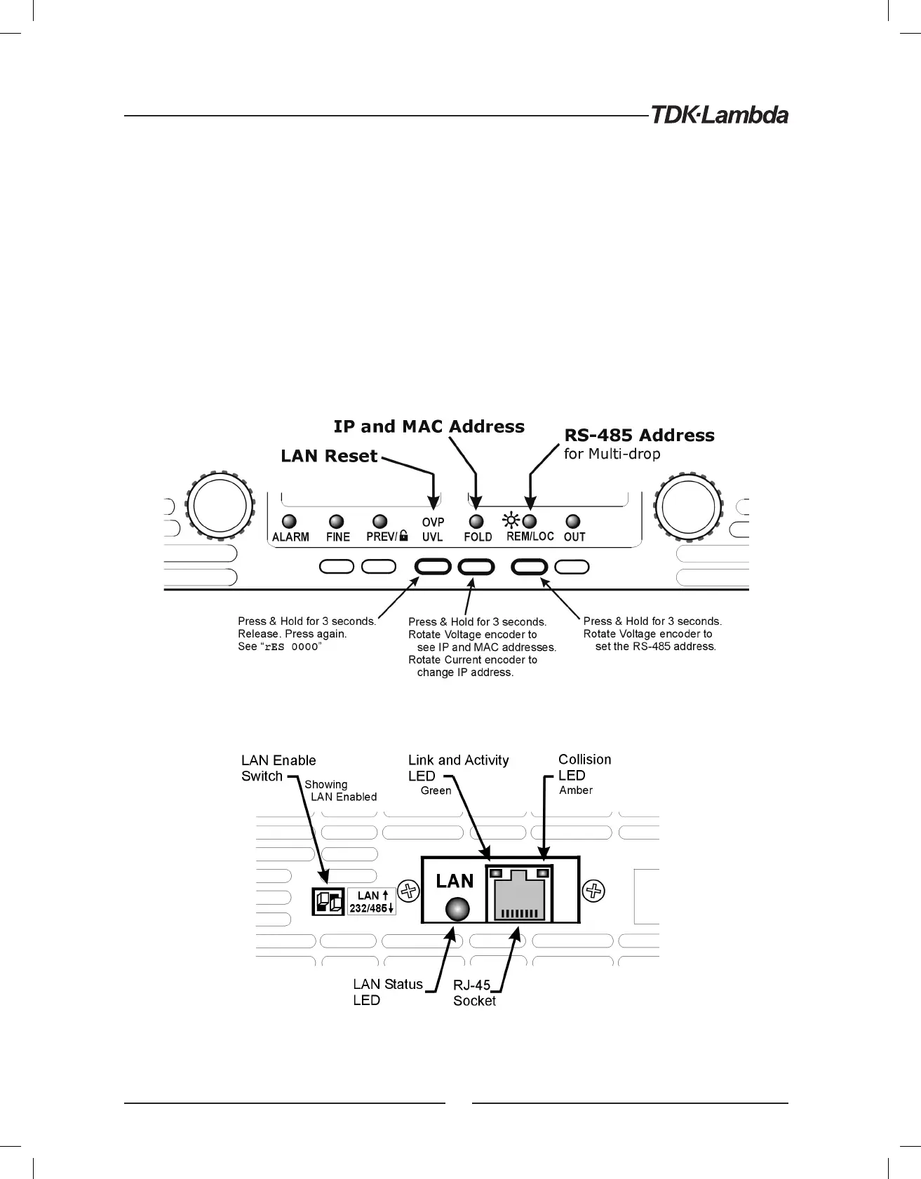
Figure 1. Front Panel LAN Features
Figure 2. Rear Panel LAN Features
6

Table of Contents

Related product manuals