EasyManua.ls Logo

Technosoft IBL2403-CAN - Digital I;O Connection

Default Icon
90 pages
Print Icon
To Next Page IconTo Next Page
To Next Page IconTo Next Page
To Previous Page IconTo Previous Page
To Previous Page IconTo Previous Page
Loading...
© Technosoft 2007 21 IBL2403 Technical Reference
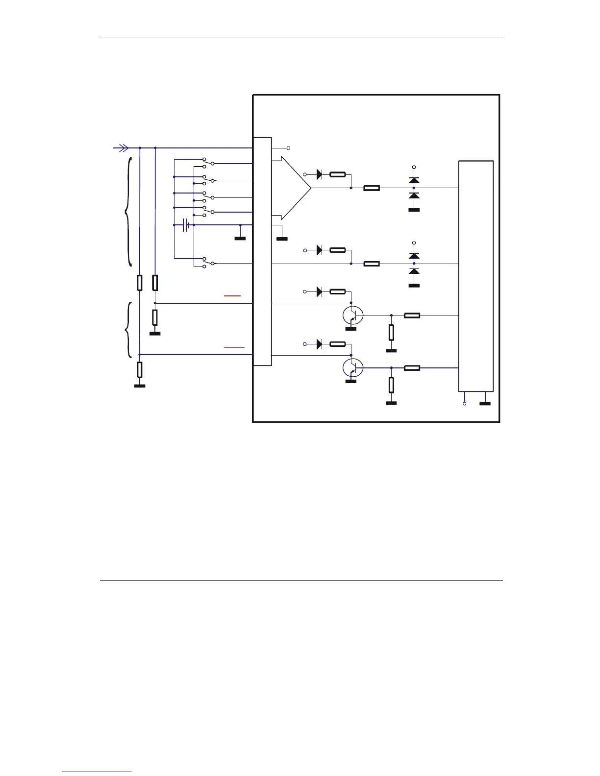
3.2.5. 24V Digital I/O connection
Pulse
9
IBL2403 v1.124V I/O Connection
+3.3V
Dir
11
Enable
Ready
470R
MotionChip
TM
24V
1K
10
1
J1
7
8
6
GND
Error
Rmin= 560R
+3.3V
470R
10K
+3.3V
470R
10K
470R
+3.3V
10K
1K
470R
1K
1K
+5V
LSN
2
LSP
+
+5V
LOAD
5
+V (24V Supply)
DC
+V
DC
+5V
+5V
LOAD
Rmin= 560R
Inputs
Outputs
Figure 3.7. 24V Digital I/O connection
Remarks:
1. In order to use 24V outputs, an external resistor needs to be connected to a supply of
+V
DC
2. The minimum value of external resistors must be 560 .

Table of Contents

Related product manuals