EasyManua.ls Logo

Technosoft IBL2403-CAN - Digital I;O Connection

Default Icon
90 pages
Print Icon
To Next Page IconTo Next Page
To Next Page IconTo Next Page
To Previous Page IconTo Previous Page
To Previous Page IconTo Previous Page
Loading...
© Technosoft 2007 22 IBL2403 Technical Reference
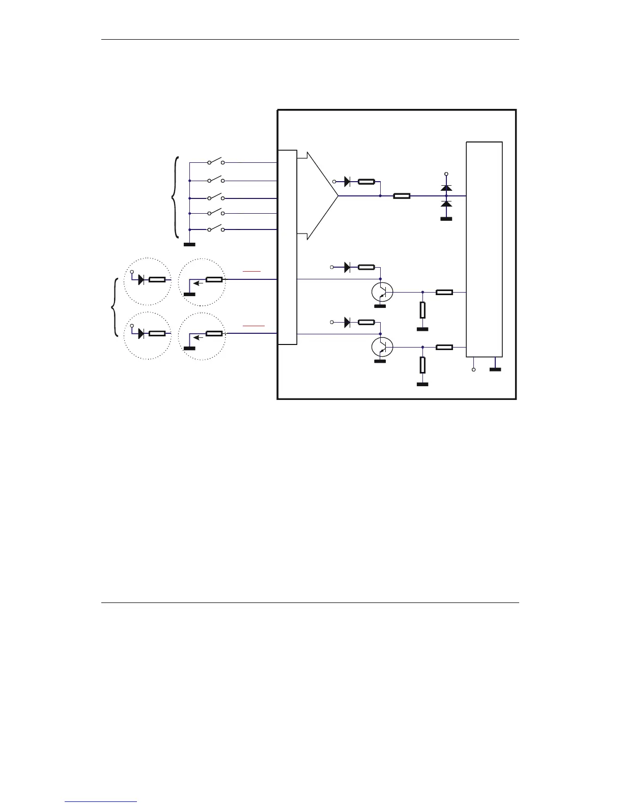
3.2.6. 5V Digital I/O connection
Pulse
9
IBL2403 v1.1 5V I/O Connection
+3.3V
Dir
11
Enable
Ready
470R
MotionChip
TM
1K
10
5
J1
7
8
6
LSP
LOAD
Error
max. 6mA
LOAD
1K
470R
1K
+3.3V
470R
10K
+3.3V
470R
10K
+5V
1K
+5V
LSN
+5V
Inputs
Outputs
+5V
max. 6mA
470R
+5V
470R
Figure 3.8. 5V Digital I/O connection

Table of Contents

Related product manuals