EasyManua.ls Logo

Technosoft IBL2403-CAN - Using Built-in Motion Controller and TML

Default Icon
90 pages
Print Icon
To Next Page IconTo Next Page
To Next Page IconTo Next Page
To Previous Page IconTo Previous Page
To Previous Page IconTo Previous Page
Loading...
© Technosoft 2007 40 IBL2403 Technical Reference
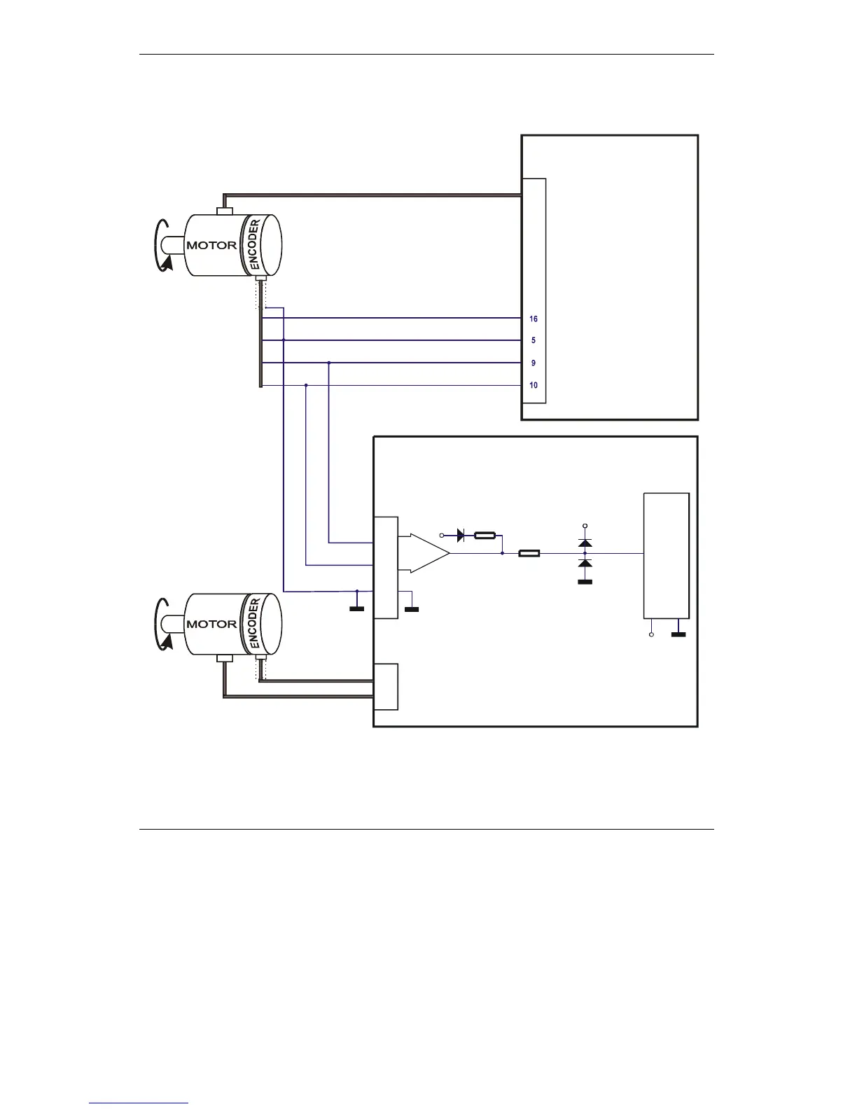
3.2.14. Master - Slave encoder connection
Pulse
IBL2403 v1.1
+3.3V
Dir
MotionChip
TM
J1
6
GND
+3.3V
470R
10K
+3.3V
470R
10K
2
+5V
5
Shield
IBL2403
v1.1
J2
+5V
OUT
Enc A+
Enc B+
GND
Master
Motor phases
Slave
J2
Motor phases
Encoder
Master
Slave
Figure 3.25. Master – Slave encoder connection using second encoder input

Table of Contents

Related product manuals