EasyManua.ls Logo

Technosoft IBL2403-CAN - Supply Connection

Default Icon
90 pages
Print Icon
To Next Page IconTo Next Page
To Next Page IconTo Next Page
To Previous Page IconTo Previous Page
To Previous Page IconTo Previous Page
Loading...
© Technosoft 2007 34 IBL2403 Technical Reference
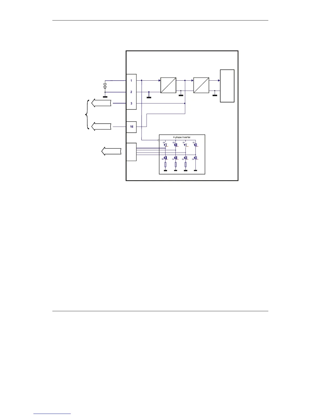
3.2.10. Supply connection
3.2.10.1 Supply connection
J2
Power supply connection
+3.3V
DC
DC
GND
+V
DC
+
12...28V
+5V
DC
DC
+5V
OUT
To motor
IBL2403
v1.1
MotionChip
TM
J2
J1
+5V
OUT
0.2 A max
OUTPUT
OUTPUT
Figure 3.20. Supply connection
3.2.10.2 Recommendations for Supply Wiring
Use
short, thick wires between the IBL2403 and the motor power supply. If the wires are longer
than 2 meters, use twisted wires for the supply and ground return. For wires longer than 20
meters, add a capacitor of at least 1000 μF (rated at an appropriate voltage) right on the terminals
of the IBL2403.
3.2.10.3 Recommendations to limit over-voltage during braking
During abrupt motion brakes or reversals
the regenerative energy is injected into the motor power
supply. This may cause an increase of the motor supply voltage (depending on the power supply
characteristics). If the voltage bypasses the U
MAX
value, the drive over-voltage protection is
triggered and the drive power stage is disabled.

Table of Contents

Related product manuals