EasyManua.ls Logo

Technosoft IBL2403-CAN - Page 40

Default Icon
90 pages
Print Icon
To Next Page IconTo Next Page
To Next Page IconTo Next Page
To Previous Page IconTo Previous Page
To Previous Page IconTo Previous Page
Loading...
© Technosoft 2007 30 IBL2403 Technical Reference
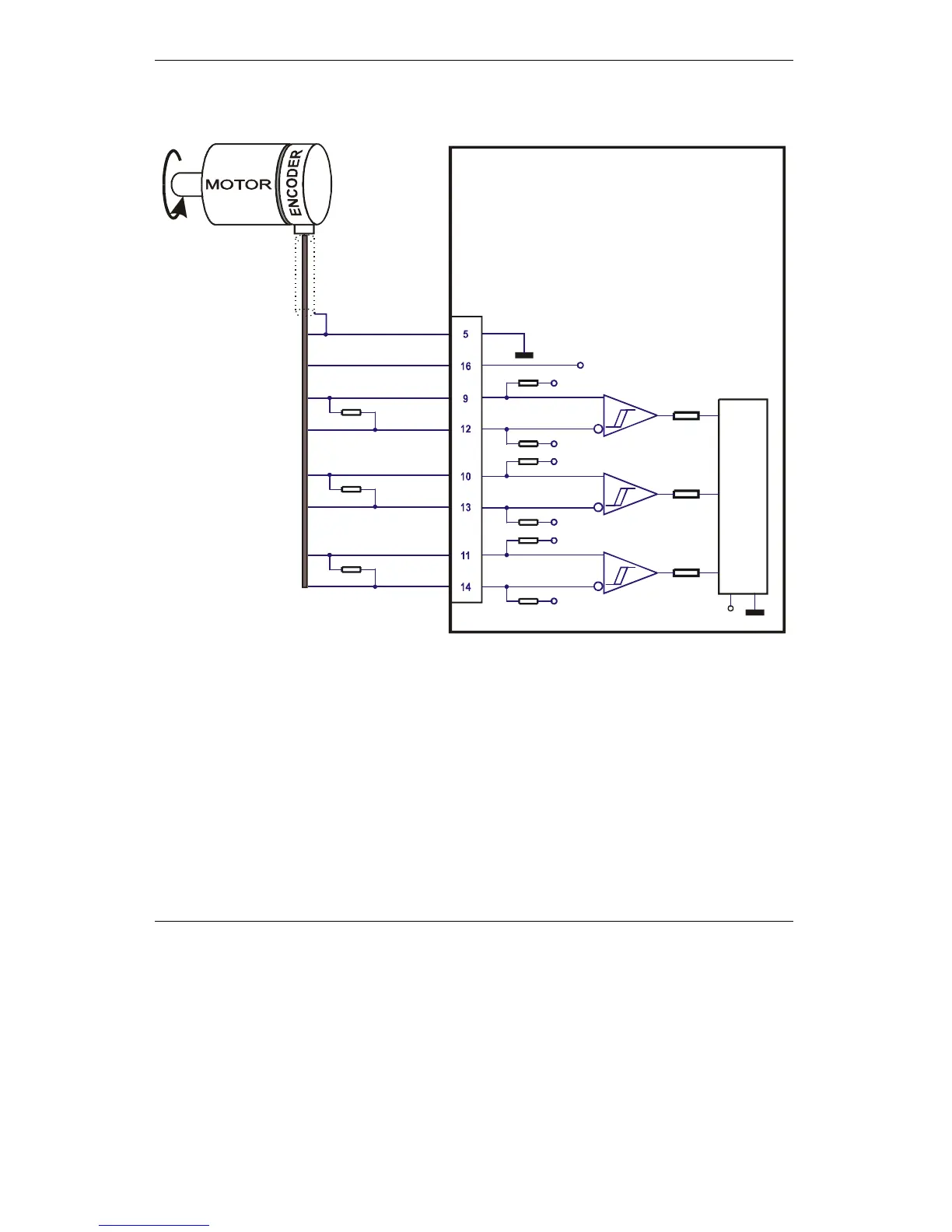
3.2.9.2 Differential encoder connection
+3.3V
Differential encoder
connection
Shield
IBL2403
v1.1
J2
+5V
MotionChip
TM
+5V
OUT
Enc A+
A-/LH1
Enc B+
B-/LH2
Enc Z +
Z-/LH3
GND
+5V
+2V
+5V
+2V
+5V
+2V
470R
47K
1K
1K
1K
470R
47K
470R
47K
120R
terminator
120R
terminator
120R
terminator
Figure 3.16. Differential encoder connection
Remark: 120- (0.25-W) terminators are required for long encoder cables, or noisy
environments.

Table of Contents

Related product manuals