EasyManua.ls Logo

Tektronix 2205 - Page 186

Tektronix 2205
210 pages
To Next Page IconTo Next Page
To Next Page IconTo Next Page
To Previous Page IconTo Previous Page
To Previous Page IconTo Previous Page
Loading...
(
I
A
1
B
i
C
i
D
E
i
F
i
G
i
H J
i
K
i
L
i
M
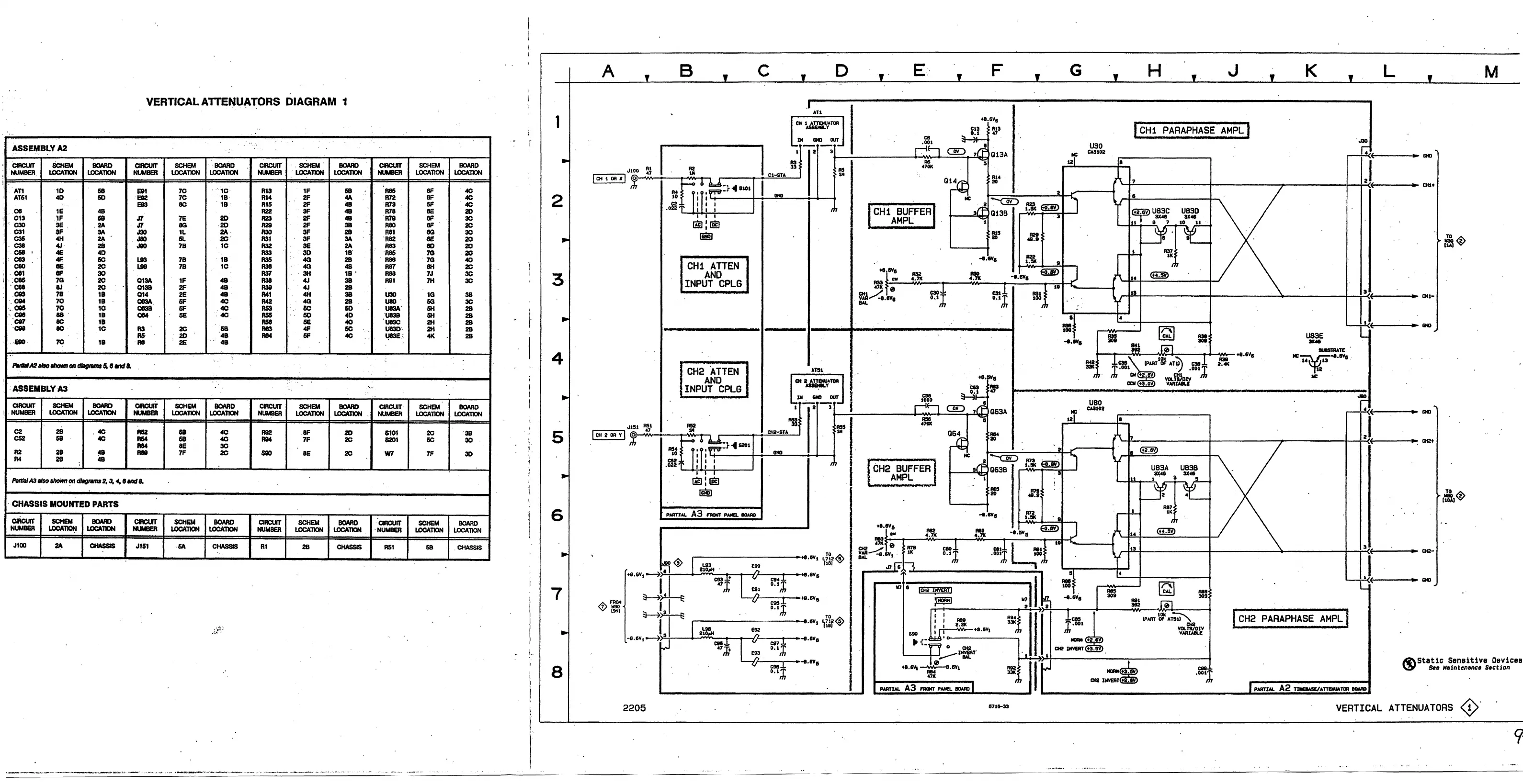
VERTICAL ATTENUATORS DIAGRAM 1
ASSEMBLY A2
c iflc u rr
SCHEM
BOARD
c iR c u rr
SCHEM
BOARD
CIRCUIT SCHEM
BOARD
CIRCUIT
SCHEM
BOARD
NUMBER
LOCATION
LOCATION
NUMBER
LOCATION LOCATION
NUMBER
LOCATION
LOCATION
NUMBER
LOCATION
LOCATION
A TI
ID
5B
E81
7C
1C
R13
IF
6B
R85
6F
4 0
AT51
40
6 0
E82
7C
IB
R14
2F
4A
R72
6F
4C
E83
8 0
IB
R15
2F
4B
R73
5F
4 0
0 6
IE 4B R22 3 F
4 8
R78
6£
2D
C13
IF 5 8
J7 7 E
2D
R23 2F 4B R78 6F
3 0
C30
3E 2A
J7
8 0
2D
R28 2 F
3B
R80
6F
2 0
031
3F
3A J30 1L 2A
R30
3F
28
R81 6 0
3 0
03 5
4H
2A J80
a 2 0
R31 3F
3A
RB2 , 6E
2 0
03 8
4J 2 8
JOO
7B
1C
R32
3E
2A
R83
6D 2 0
0 5 6
4E
4D
R33
3D
IB R85
7 0
2 0
06 3
4F
5 0 LD3
7B
IB
R35
4G
2B
R86
7 0
4 0
C80
6 8
2 0
L86
7B 1 0 R36
4 0 4B
R87
6H
2 0
081
6F
3 0
R37
3H
IB
R88
7J
3 0
0 8 6
7 0 2 0
Q13A
IF
4B
R38
4J
3 8
R91 7H
3C
* 0 88 8J
2 0
013B
2F
4B
R38
4J
2B
08 3 7B
IB
Q14
2E
4B
R41
4H 3B
U30
10
38
C94
7 0 IB
063A
5F
4 0
R42 4 0 2B
U 80
5 0
3C
. 0 8 6 7 0
1 0 Q63B
5F 4 0
R53
6C 5D
U83A 5H
2B
C86
8 8
IB
0 6 4 5E
4 0
R56
5 0
4D
U83B
5H
2B
C 87
8 0
IB
R56
6E 4 0 U 83C 2H
2B
C88
8 0
1C
R3
2 0
6B
R83
4F
5 0
U83D
2H
2B
R5
2D 4B R64
5F
4 0
U83E
4K
28
E80
7 0
IB
R6
2E 4B
Partial A2 also shown on diagrams 5 ,0 and 8,
ASSEMBLY A3
CIRCUIT
SCHEM
BOARD
CIRCUIT
SCHEM
BOARD CIRCUIT
SCHEM
BOARD
CIRCUIT
SCHEM
BOARD
NUMBER
LOCATION
LOCATION
NUMBER
LOCATION LOCATION
NUMBER LOCATION
LOCATION NUMBER
LOCATION
LOCATION
0 2
2B
. 4 0 R52
6B
4G
R82
8F
2D
$101
2 0
3B
C52
SB
40
R54
6B
4 0
R84
7F 2 0
$201
5 0
3 0
R84
8E
3 0
R2
2B
4B
R88 7F
2 0 S90
BE
2 0
W7 7F
3D
to
2B
48
Partial A3 also shown on diagrams 2 ,3 ,4 ,9 and 8.
CHASS1
IS MOUNTED PARTS
CIRCUIT
SCHEM
BOARD
c m c u rr
SCHEM BOARD
CIRCUIT
SCHEM
BOARD
c n c u r r
SCHEM
BOARD
NUMBER
LOCATION LOCATION
NUMBER LOCATION
LOCATION
NUMBER
LOCATION LOCATION
NUMBER LOCATION
LOCATION
J100
2A CHASSIS
J151
5A
CHASSIS
R1
2B
CHASSIS
R51
58
CHASSIS
I
I
1
2
3
4
5
6
7
8
VERTICAL ATTENUATORS
2205
6715-33

Table of Contents

Other manuals for Tektronix 2205

Related product manuals