EasyManua.ls Logo

Tektronix 2205 - Page 193

Tektronix 2205
210 pages
To Next Page IconTo Next Page
To Next Page IconTo Next Page
To Previous Page IconTo Previous Page
To Previous Page IconTo Previous Page
Loading...
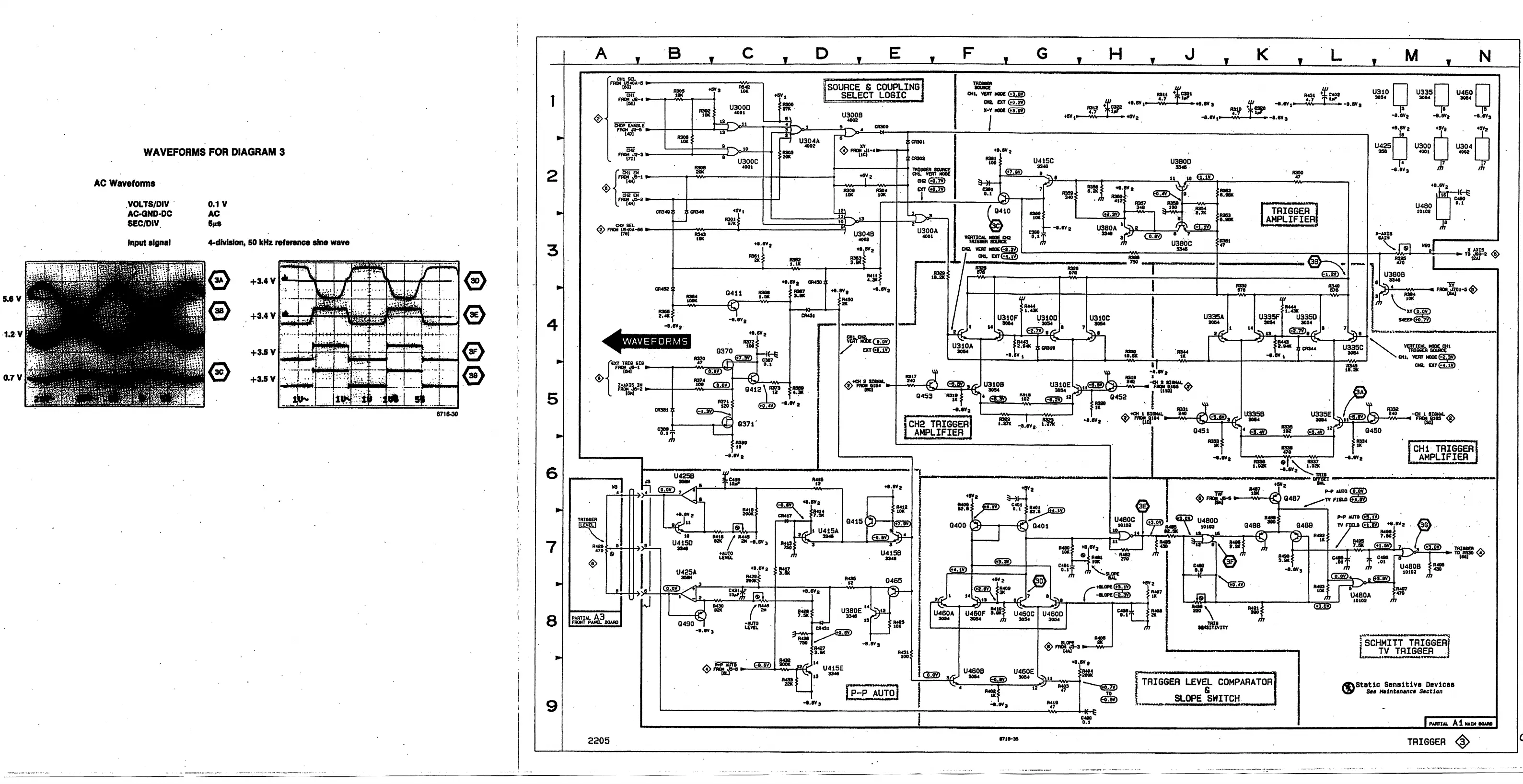
WAVEFORMS FOR DIAGRAM 3
AC Waveforms
VOLTS/DIV 0.1 V
AC-GND-DC AC
SEC/DIV 5m*
Input signal 4-division, 50 KHz reference sine wave
!

Table of Contents

Other manuals for Tektronix 2205

Related product manuals