EasyManua.ls Logo

Tektronix 2205 - Page 198

Tektronix 2205
210 pages
To Next Page IconTo Next Page
To Next Page IconTo Next Page
To Previous Page IconTo Previous Page
To Previous Page IconTo Previous Page
Loading...
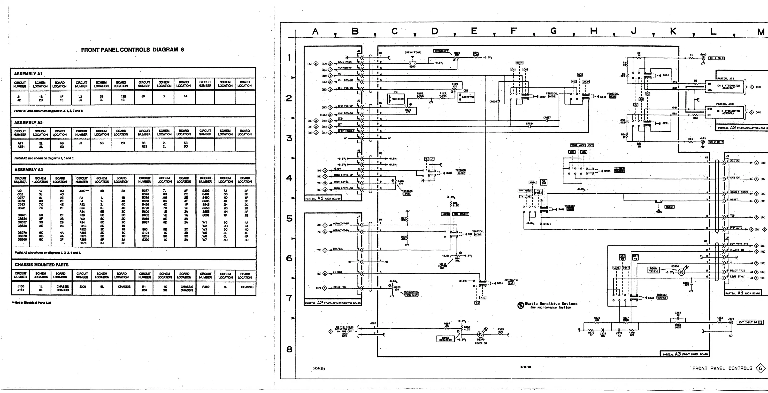
FRONT PANEL CONTROLS DIAGRAM 6
ASSEMBLY A1
CIRCUIT
SCHEM
BOARD CIRCUIT
SCHEM
BOARD
CIRCUIT SCHEM
BOARD
CIRCUIT
SCHEM
BOARD
NUMBER
LOCATION
LOCATION
NUMBER
LOCATION LOCATION
NUMBER
LOCATION
LOCATION
NUMBER
LOCATION
LOCATION
J1 IB IF <13
3B
12B
J8
5L
1A
J2
2B
IE
J5
3L
IB
Partial A19t$o shorn on dtogw mZ 3 ,4 ,5 ,7 and 8.
ASSEMBLY A2
CIRCUIT
SCHEM BOARD
CIRCUIT
SCHEM
BOARD
CIRCUIT
SCHEM BOARD
ORCUTT
SCHEM BOARD
NUMBER
LOCATION
LOCATION NUMBER
LOCATION
LOCATION
NUMBER
LOCATION
LOCATION
NUMBER
LOCATION
LOCATION
ATI
2L 5B
J7
SB
2D
R3 2L 5B
AT51 2L
5D
R53
2L
5D
ParfslA2 also shown on diagrams 1,5 and 8.
ASSEMBLY A3
cwcurr
SCHEM BOARD
ctRcur
SCHEM
BOARD
CIRCUIT
SCHEM
BOARD
CIRCUIT
SCHEM
BOARD
NUMBER
LOCATION
LOCATION NUMBER
LOCATION
LOCATION
NUMBER LOCATION
LOCATION
NUMBER
LOCATION
LOCATION
C2
U
40 J987** 68
2A
R377
7J 2F
S302 7J 3F
C52
3J
40
R376 8H
2E
S401
50 2F
C377
8J 2E
R2
U
4B
R379
8H
2E
8480 4D IF
C378
6H 2E R4
1J 4B
R363 8K 4F
S505
4K
2F
0363
7K
4E RS2
3J
4C
R426 4C
IF
S545 2H
20
C392
7K
2F
R54
3J
4C
R728
7C IE
S550
20
2B
R64 6E
3C
R800
IE
2A
S555 4H
3F
CR401 50
2F
R89
5D
2C
R6Q2 IE 1A S801
7F 2E
CR534
3F 2B
R82
6C 2D
R086
6E
3A
CR537 30
28 R94
5C
20
R987
80
2A
W1 1C
4A
CR536
2E
28
R113
2D
IB
W2
20
2A
R123
20
IB
S90
5E
2C
W3
3C
4D
DS370
6K
4A
R163 2D 1C
S101
IK
3B
W5
3L
4E
DS370
8E
4A R173
2C
1C S201 3K
X
WB
6L 4F
D8560
6K
2F
R385
8F
3A S380
1C 2A W7
5C
30
R378
8J
3F
Parti»lA3*lsoshom onaagnum 1r 2t 3t 4and8.
CHASSIS MOUNTED PARTS
CIRCUIT
SCHEM
BOARD
CIRCUIT
SCHEM BOARD
cncurr SCHEM
BOARD
CIRCUIT
SCHEM
BOARD
NUMBER
LOCATION
LOCATION
NUMBER
LOCATION
LOCATION
NUMBER
LOCATION
LOCATION
NUMBER LOCATION
LOCATION
Jioo
1L CHASSIS
J300
6L CHASSIS
R1
IK CHASSIS
R382
7L
CHASSIS
J151
3L
CHASSIS RSI
3K CHASSIS
N o t In Eltctrfcaf P u t* U *t
I
!
i
A
F
1
2
3
4
5
6
7
8
2205
7M-M
FRONT PANEL CONTROLS <6>

Table of Contents

Other manuals for Tektronix 2205

Related product manuals