EasyManua.ls Logo

Tektronix 2205

Tektronix 2205
210 pages
To Next Page IconTo Next Page
To Next Page IconTo Next Page
To Previous Page IconTo Previous Page
To Previous Page IconTo Previous Page
Loading...
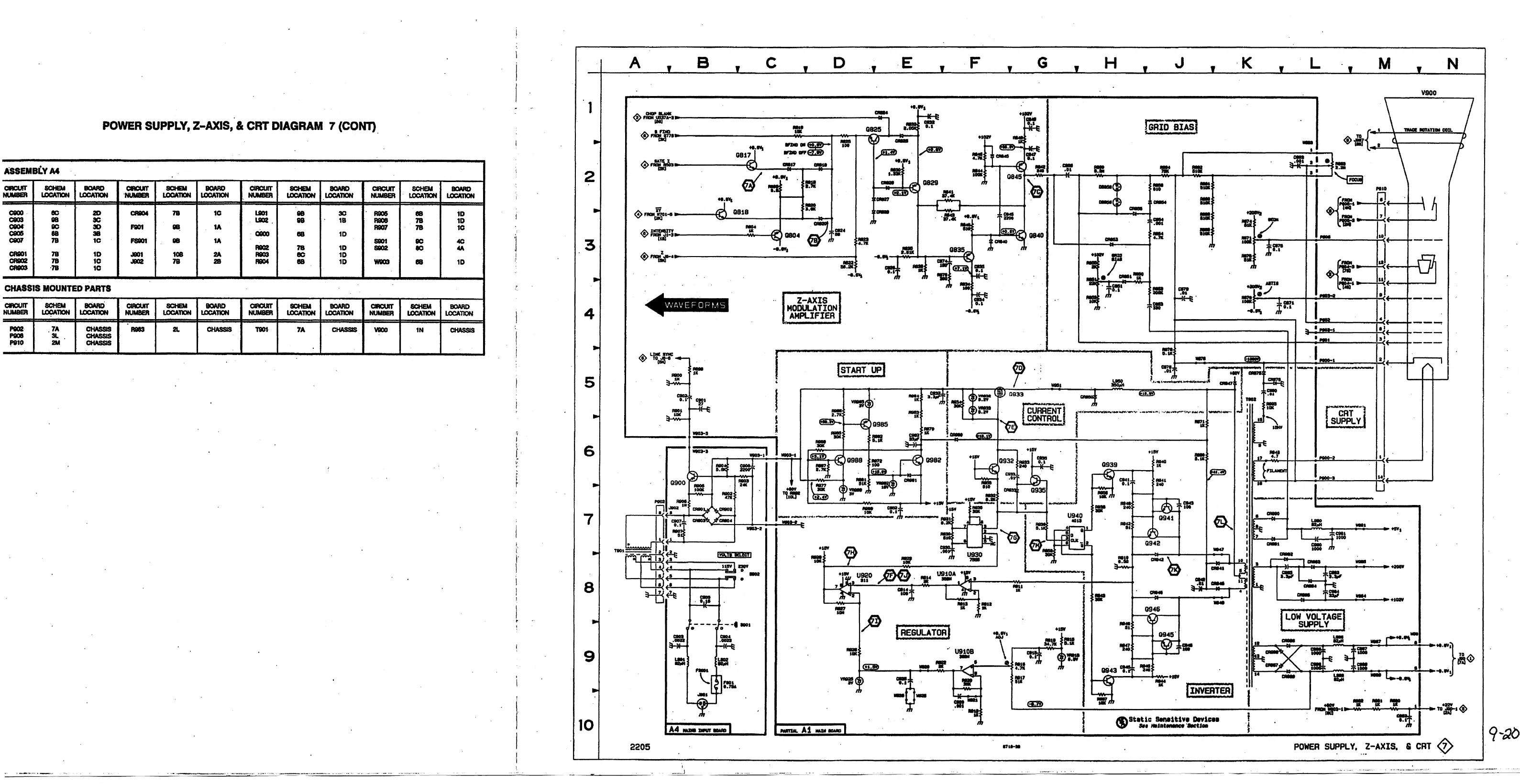
POWER SUPPLY, Z-AXIS, & CRT DIAGRAM 7 (CONI)
ASSEMBLY M
c m c u r r
8C 8E M BOARD
cmcurr
SCHEM
BOARD
ctR C urr
SCHEM
BOARD
O RC U T
SCHEM
BOARD
NUMBER LOCATION
LOCATION
NUMBER
LOCATION
LOCATION
NUMBER
LOCATION
LOCATION
NUMBER
LOCATION
LOCATION
C900
SC
2D CR904
7B
1C
L001
OB
30
R906
6 8
ID
C803
SB
9C
1802 . OB IB R006 7B
ID
08 04
OC
SO
F901
OB
1A
ROOT
7B
1C
C8Q6
SB
3 0
09 00
8 8
1D
COOT
7B
1C
FS0O1
OB
1A
S801 OC
4C
R002
7B ID
8002
6 0
4A
CR001
7B
ID
J901
10B
2A
R003
6C
ID
CR902
7B
1C
JOOZ 7B
2B
R904
6 8
ID WOOS
6B
ID
CROOS
7B
1C
CHASSIS MOUNTED PARTS
c « c u n r
SCHEM
BOARD d R c u r
SCHEM
BOARD
c ffc u n r
SCHEM
BOARD
c n c u r r
SCHEM
BOARD
NUMBER
LOCATION
LOCATION
NUMBER
LOCATION LOCATION
NUMBER
LOCATION
LOCATION
NUMBER
LOCATION
LOCATION
P002
7A
CHASSIS
R983
2L
CHASSIS
T001
7A CHASSIS vooo IN
CHASSIS
POOS
3L .
CHASSIS
P910 2M
CHASSIS

Table of Contents

Other manuals for Tektronix 2205

Related product manuals