EasyManua.ls Logo

Tempo Communications Sidekick Plus - Ground Resistance Test

Tempo Communications Sidekick Plus
108 pages
Print Icon
To Next Page IconTo Next Page
To Next Page IconTo Next Page
To Previous Page IconTo Previous Page
To Previous Page IconTo Previous Page
Loading...
26
Sidekick
®
Plus Test Set
Ground Resistance Test
Ground resistance testing is useful when evaluating
whether a station, or premise, ground is sufficient. The
reading is a direct indication of the ground integrity
and measures the earth resistance. High readings
are potentially due to short ground rods, poor ground
connections, etc. Readings greater than 25 Ω are
considered failing for DSL (consult local practices for
exact values).
Follow this procedure to obtain ground resistance
measurements:
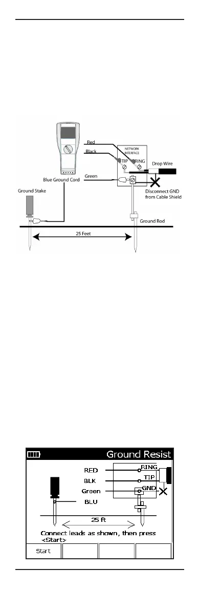
1. Disconnect the shield of the drop wire from the
local ground.
2. Connect the green lead to the local ground rod that
you are trying to measure.
3. Connect the red and black leads to tip and ring as
you would normally do.
4. Connect the blue lead to a 6 to 9 m (20 to 30 ft)
wire extension, which should be connected to a
probe that is placed in the ground about 6 to 9 m
(20 to 30 ft) from the ground point to be measured.
Place the probe approximately in the same direc-
tion the telephone line is running, if known.
5. Move the rotary knob to the STRESS/GRT position.
6. Press the Fn key to access the Ground Resistance
screen. The unit will display a connection diagram
similar to the one above.

Table of Contents