EasyManua.ls Logo

Thermal Dynamics Cutmaster 82 - Page 111

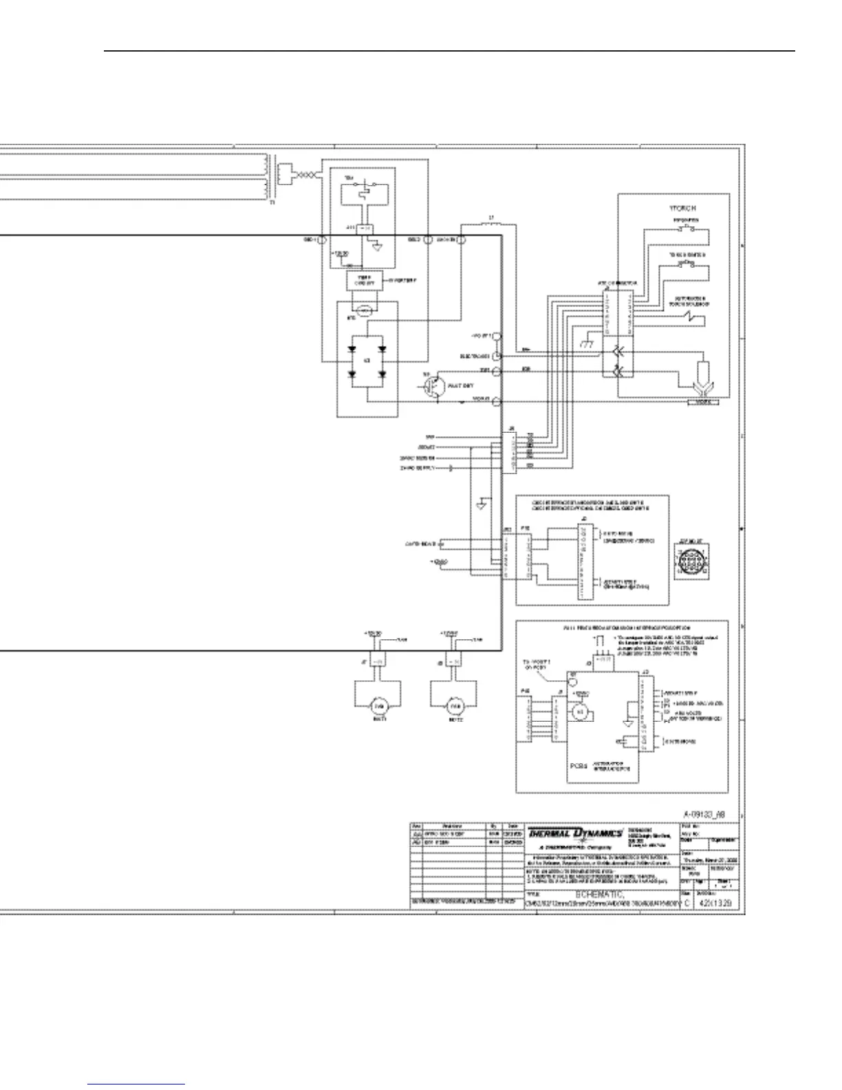
Thermal Dynamics Cutmaster 82
114 pages
Print Icon
To Next Page IconTo Next Page
To Next Page IconTo Next Page
To Previous Page IconTo Previous Page
To Previous Page IconTo Previous Page
Loading...
cutmaster 82
Manual 0-4980 A-9 APPENDIX

Table of Contents

Related product manuals