EasyManua.ls Logo

THORLABS PM400 - Page 41

THORLABS PM400
68 pages
Print Icon
To Next Page IconTo Next Page
To Next Page IconTo Next Page
To Previous Page IconTo Previous Page
To Previous Page IconTo Previous Page
Loading...
© 2017 Thorlabs GmbH
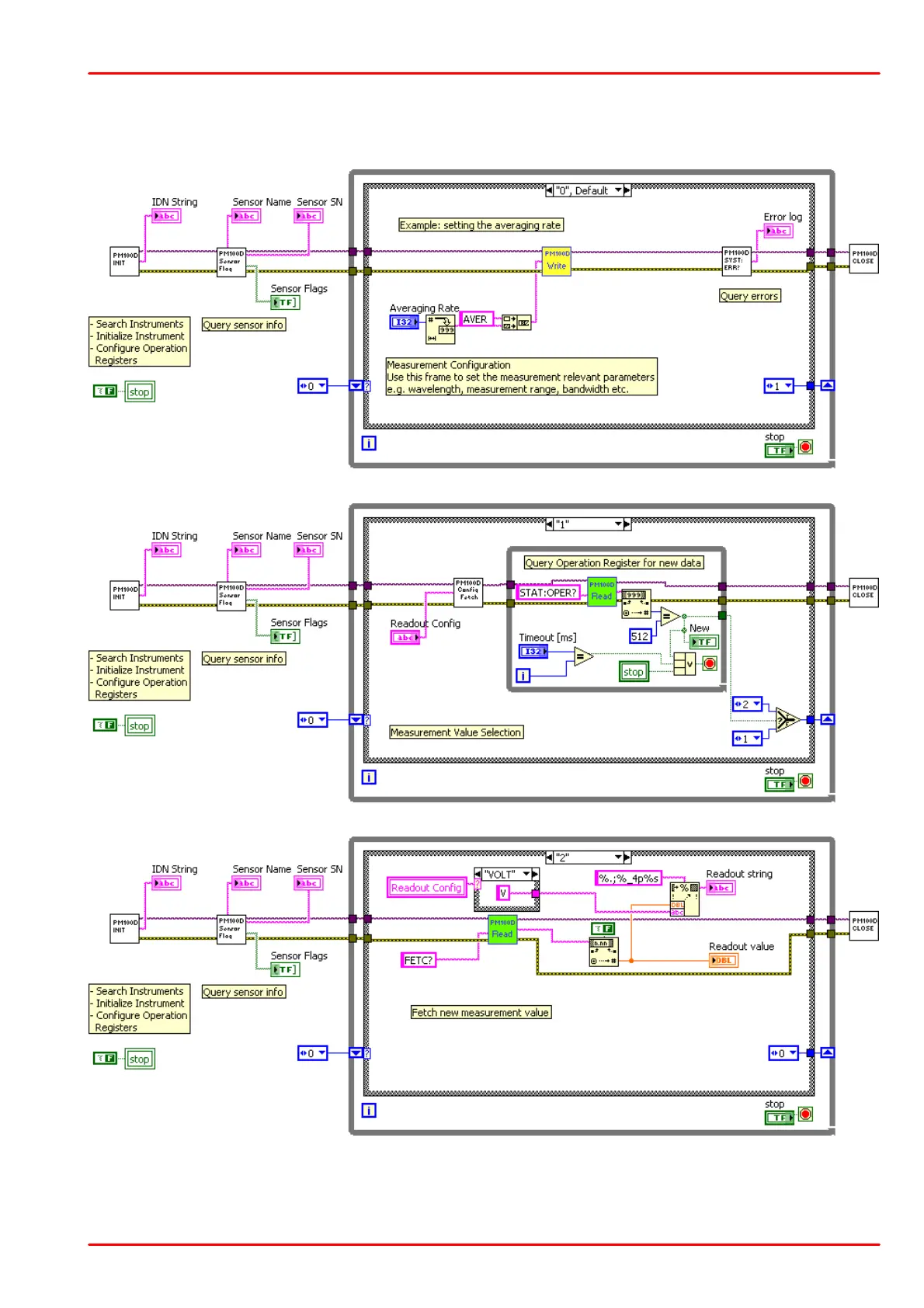
5 Write Your Own Application
39
Block Diagram

Related product manuals