EasyManua.ls Logo

ThyssenKrupp NBS - Page 34

ThyssenKrupp NBS
156 pages
Print Icon
To Next Page IconTo Next Page
To Next Page IconTo Next Page
To Previous Page IconTo Previous Page
To Previous Page IconTo Previous Page
Loading...
O
PERATING MANUAL
NBS
TECHNOLOGY
ThyssenKrupp Aufzugswerke GmbH
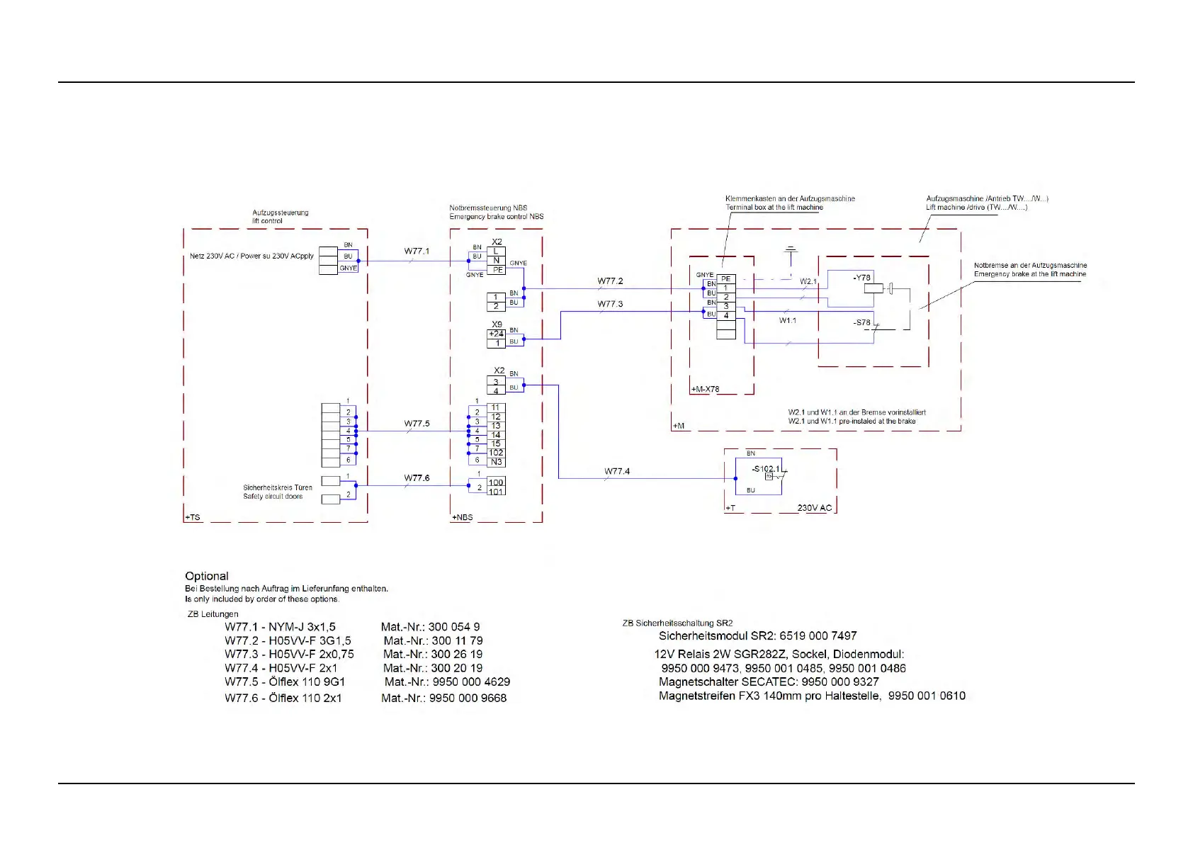
3.5.2 Monitoring of door zone, NBS switchbox, ROBA switch
Fig. 3.5.5
34
10-2012

Related product manuals