EasyManua.ls Logo

Toradex Colibri - Page 16

Default Icon
66 pages
Print Icon
To Next Page IconTo Next Page
To Next Page IconTo Next Page
To Previous Page IconTo Previous Page
To Previous Page IconTo Previous Page
Loading...
Colibri Carrier Board Design Guide
Toradex AG l Altsagenstrasse 5 l 6048 Horw l Switzerland l +41 41 500 48 00 l www.toradex.com l info@toradex.com
Page | 16
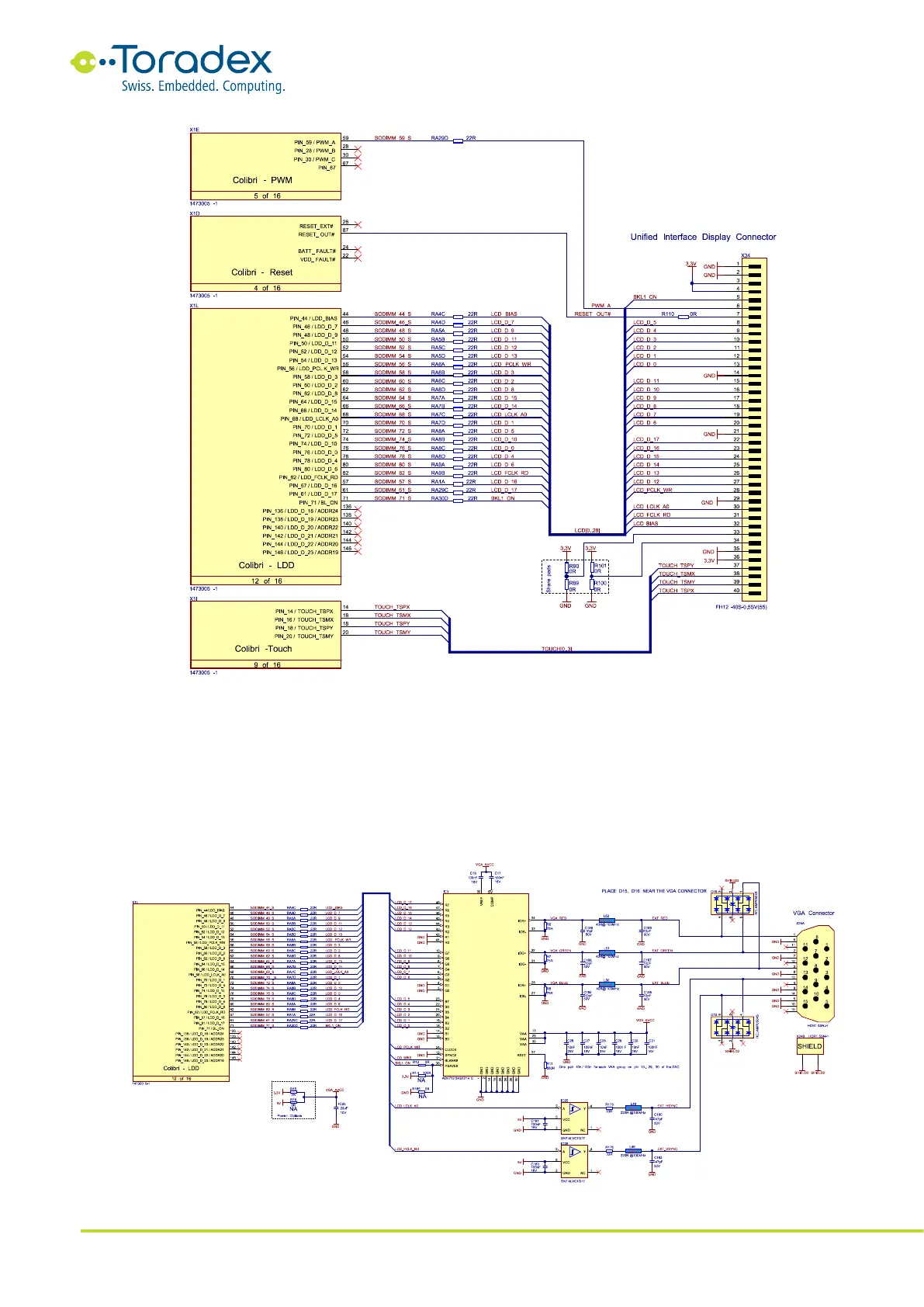
Figure 6: 18bit Parallel RGB Display Reference Schematic
2.4.2.2 VGA DAC Schematic Example
A few Colibri modules feature a dedicated VGA interface on an FFC connector. Nevertheless,
adding a parallel RGB to VGA converter is recommended if a VGA interface is needed, which is
compatible with all modules. Since only the 18-bit color depth is compatible between the different
modules, it is recommended to use this mode even if the DAC is capable of 24-bit.
Figure 7: VGA DAC Reference Schematic

Table of Contents

Related product manuals