EasyManua.ls Logo

Toradex Colibri - Potential Issues Caused by Backfeeding

Default Icon
66 pages
Print Icon
To Next Page IconTo Next Page
To Next Page IconTo Next Page
To Previous Page IconTo Previous Page
To Previous Page IconTo Previous Page
Loading...
Colibri Carrier Board Design Guide
Toradex AG l Altsagenstrasse 5 l 6048 Horw l Switzerland l +41 41 500 48 00 l www.toradex.com l info@toradex.com
Page | 46
Besides the HDMI DDC, I2C interfaces, in general, can be sources for backfeeding if the pull-up
resistor is using a different voltage domain than the module IO rail. Due to the pull-up resistor
value, the current usually is smaller than with regular CMOS signals. However, with backfeeding,
the amount of interface pins that are backfeeding signals is essential. If a system has many open-
drain signals backfeeding, this can still lead to problematic high IO rail voltage.
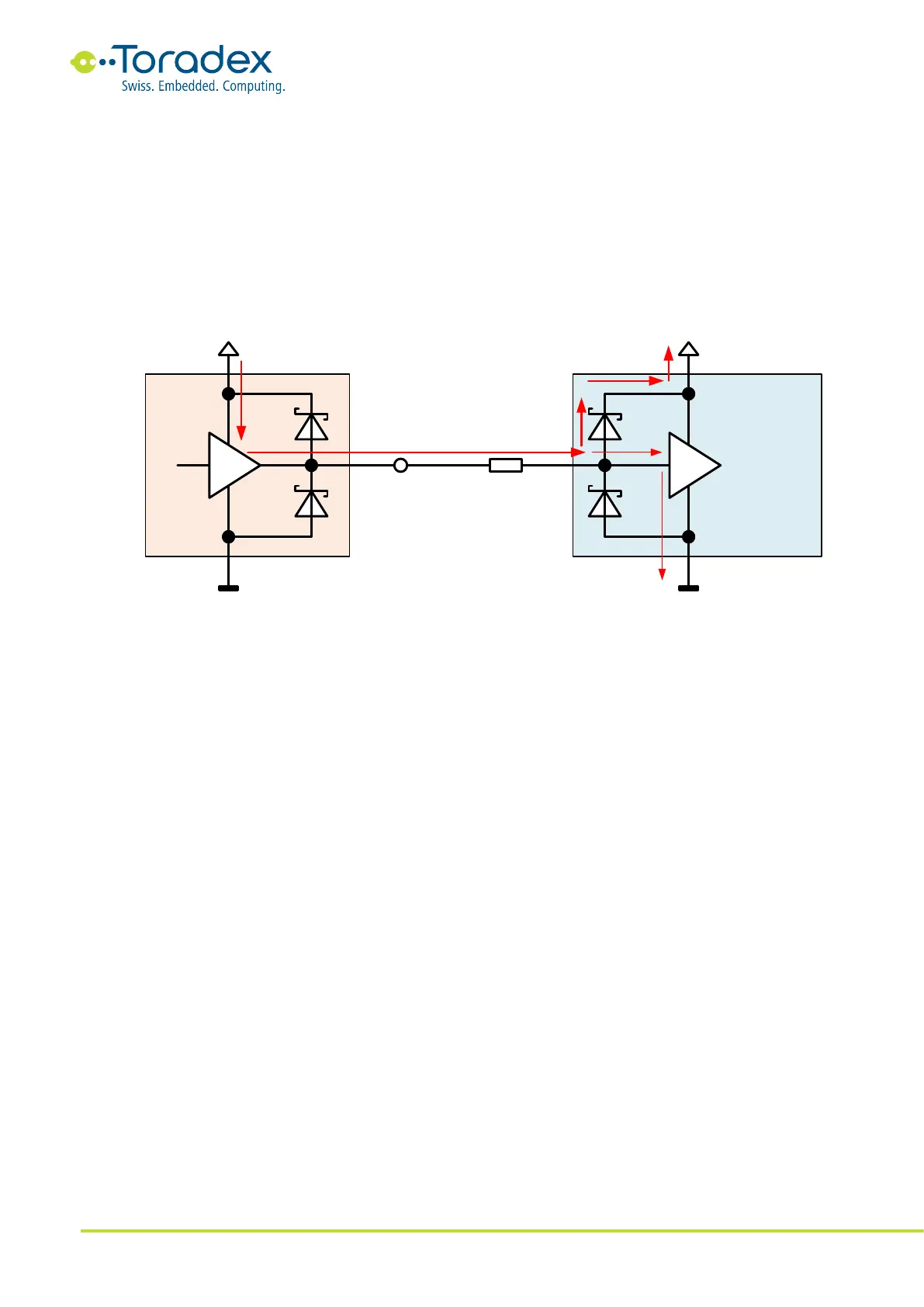
Backfeeding can also happen in the other direction. For saving energy, unused peripherals are
often turned off by switching off their power rails. If the module output signals are still driven high,
the module can feed back the peripheral rail.
Figure 35: Backfeeding to peripherals
3.7.3 Potential Issues Caused by Backfeeding
In many systems, it is difficult and expensive to avoid backfeeding altogether. Various issues could
be caused by backfeeding. For example, the resulting backfeeding current could overload the
output driver of the signal that is causing the backfeeding. If the backfeeding path has series
resistors, the current might get limited to a non-damaging value. Series resistors also allow for
checking the backfeeding current by measuring the voltage drop over the resistor. A high
continuous backfeeding current can also damage the ESD protection diode. Standard on-chip ESD
protection diodes are characterized to withstand tens of amps for nanoseconds, but not
continuously. Continuous current through the protection diode causes power dissipation, which can
be above the diode's limits. However, a few milliamperes are usually neither damaging the ESD
protection diode nor the output driver. Please check whether there any information available in the
SoC and peripheral datasheets.
Even if the resulting input current of a pin is small enough not to damage the ESD protection
diode, the absolute maximum input voltage specifications are violated in many cases. An input
pin's absolute maximum input voltage is often specified by a similar formula:



The ESD protection diode dictates the 0.3V in this formula. According to the device specifications,
the input voltage always needs to be small enough for not having the protection diode conducting.
This means backfeeding is often per se violating the maximum input voltage specifications.
Therefore, the manufacturer does not guarantee that backfeeding is not damaging the device.
Damaged input or output signal paths due to backfeeding current are usually a minor problem.
Issues caused by a residual voltage on a turned-off IO rail are often more pronounced. If the IO
rail reaches a certain voltage level, other devices on the same rail might show unexpected
behavior. Especially if the voltage level reaches the power-on-reset threshold, devices (or blocks of
devices) might start to run. This could lead to a higher current draw on the backfeeding path,
which could lower the voltage again. This could cause cyclical behavior in which devices are
PeripheralSoC
IO Rail (on)
TX
Module Pin
Peripheral Rail (off)
RX
22R
3.3V 1.7V
2.0V2.3V
High

Table of Contents

Related product manuals