EasyManua.ls Logo

Toradex Colibri - Backfeeding Prevention

Default Icon
66 pages
Print Icon
To Next Page IconTo Next Page
To Next Page IconTo Next Page
To Previous Page IconTo Previous Page
To Previous Page IconTo Previous Page
Loading...
Colibri Carrier Board Design Guide
Toradex AG l Altsagenstrasse 5 l 6048 Horw l Switzerland l +41 41 500 48 00 l www.toradex.com l info@toradex.com
Page | 50

󰇛
 
󰇜


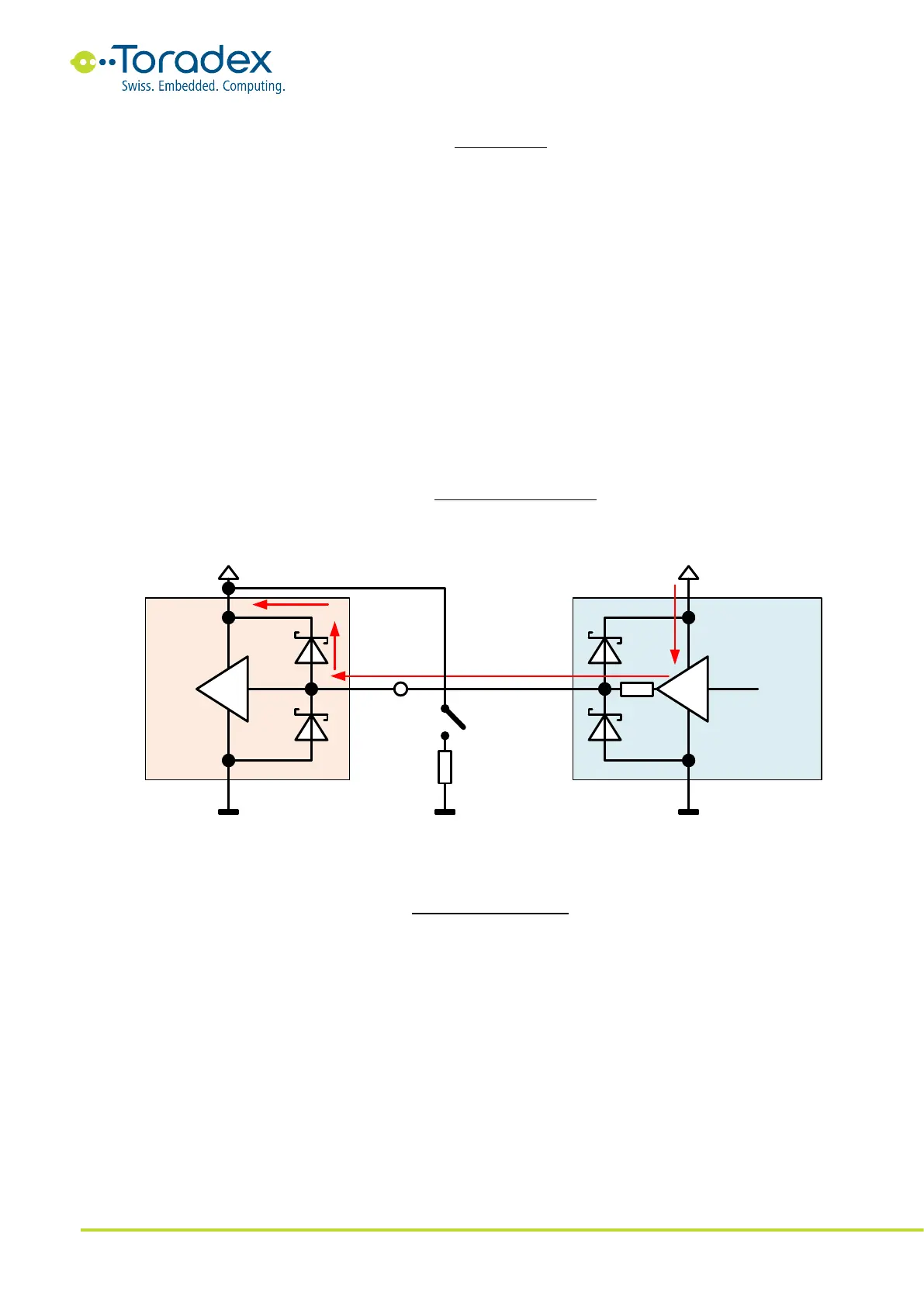
Often it is crucial to know whether all the backfeeding pins are identified, or the search for
backfeeding sources must continue. Ideally, you might be able to disconnect individual pins by
removing series resistors or a jumper (for example, possible on the Colibri Evaluation Board).
Unfortunately, this is not always the case. However, there is another method for estimating the
number of backfeeding pins.
By adding a load resistor to the IO rail and observing the residual voltage changes, the total
internal resistance of the backfeeding can be estimated. A good value for the load resistor is 100.
You might need to select a different value if the voltage is dropping too little or too much. The best
values can often be achieved by a voltage drop between 50mV and 100mV. The formula for
estimating the internal resistance is the same as used for the individual pin. Assuming the voltage
drop over the ESD diode is constant, the diode voltage drop is eliminated from the formula. Please
keep in mind that this formula only provides a rough estimated value. There might be devices on
the IO rail which behave non-linear to voltage changes. Therefore, the forced voltage change
should be kept small for better results.

󰇛


󰇜


Figure 39: Evaluating the total internal resistance of the backfeeding
Using the numbers in Figure 39 as an example, we get the following total internal resistance:

󰇛
 
󰇜



The total internal resistance measured on the IO rail can then be compared to the estimated
internal resistance of the backfeeding IO pins. If the total resistance is smaller than the combined
resistance of the IO pins, there are still other backfeeding sources to be uncovered.
Comparing the results from Figure 38 and Figure 39, we see that the total internal resistance is
about eight times smaller than a single signal pin. This means there are probably a total of eight
(similar) signal pins that are backfeeding to this IO rail.
3.7.5 Backfeeding Prevention
There are multiple approaches for preventing backfeeding from happening. Some of them are very
cost-effective but do not apply to all types of signals or situations. Other solutions are expensive or
require extra precious PCB real estate. Therefore, defining the right backfeeding prevention
approach is challenging. The following list of potential solutions starts from the cheap and
PeripheralSoC
IO Rail (off)
RX
Peripheral Rail (on)
TX
3.3V
Open: 1.70V
Close: 1.60V
High
100R
Ri = ?

Table of Contents

Related product manuals