EasyManua.ls Logo

Toradex Colibri - Page 45

Default Icon
66 pages
Print Icon
To Next Page IconTo Next Page
To Next Page IconTo Next Page
To Previous Page IconTo Previous Page
To Previous Page IconTo Previous Page
Loading...
Colibri Carrier Board Design Guide
Toradex AG l Altsagenstrasse 5 l 6048 Horw l Switzerland l +41 41 500 48 00 l www.toradex.com l info@toradex.com
Page | 45
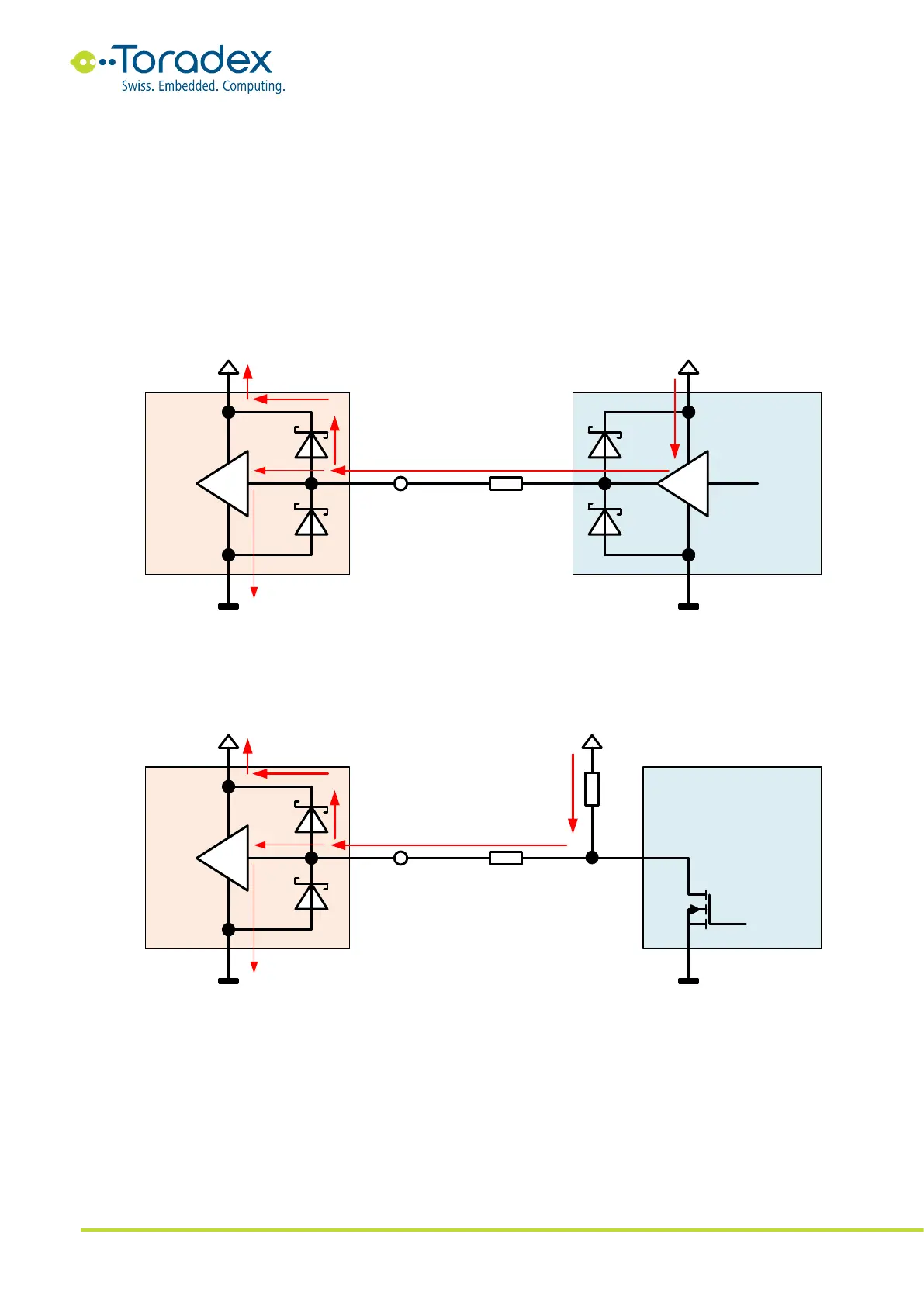
diode to the IO rail pin. In other words, the IO rail gets fed through the IO pin. This is called
backfeeding. Figure 33 shows a backfeeding path and possible voltage values. Depending on the
situation, the backfeeding can reach several milliamperes. Therefore, the output buffer of the
peripheral signal already has some voltage drop. In the example, the drop in the buffer is 1V. This
means the output voltage is only 2.3V. Some voltage is lost in the series resistor. Therefore, only
2.0V arrives at the SoC input pin. There is a further voltage drop in the ESD protection diode. 0.3V
is a typical value for a Schottky type diode. In this example, the backfeeding path lifts the IO rail to
1.7V, even though the power supply is turned off. Of course, the actual resulting IO voltage is
heavily dependent on the load on the IO rail and the backfeeding path and the number of pins
that are backfeeding.
Figure 33: Backfeeding if IO rail is off and the peripheral signal is high
Open drain signals can also cause backfeeding if the pull-up resistor is still powered while the IO
rail on the module is off. However, the backfeeding currents are more likely much smaller than
with a regular push-pull peripheral output pin. The pull-up resistor value limits the current.
Figure 34: Backfeeding with open-drain signals
Interfaces that are prone to backfeeding are, for example, UART and HDMI. The problem is that
the UART signals are high in idle. If the transceiver is not switched off when the module is shut
down, there is potential backfeeding. The transition-minimized differential signals (TMDS) of the
HDMI interface are terminated to 3.3V at the receiver side (e.g., a display). Therefore, the signals
have a DC offset. Even if the module and carrier board are turned-off, the TMDS signals can be
lifted to 3.3V by the monitor. If an improper HDMI circuit is used, this can cause backfeeding. The
DDC and the hotplug detection signal can cause further backfeeding in combination with an HDMI
monitor.
PeripheralSoC
IO Rail (off)
RX
Module Pin
Peripheral Rail (on)
TX
22R
1.7V 3.3V
2.3V2.0V
High
Open-Drain
Peripheral
SoC
IO Rail (off)
RX
Module Pin
Peripheral Rail (on)
22R
0.8V 3.3V
1.0V1.0V
Low
1k

Table of Contents

Related product manuals