EasyManua.ls Logo

Toro 30280 - Page 62

Toro 30280
64 pages
Print Icon
To Next Page IconTo Next Page
To Next Page IconTo Next Page
To Previous Page IconTo Previous Page
To Previous Page IconTo Previous Page
Loading...
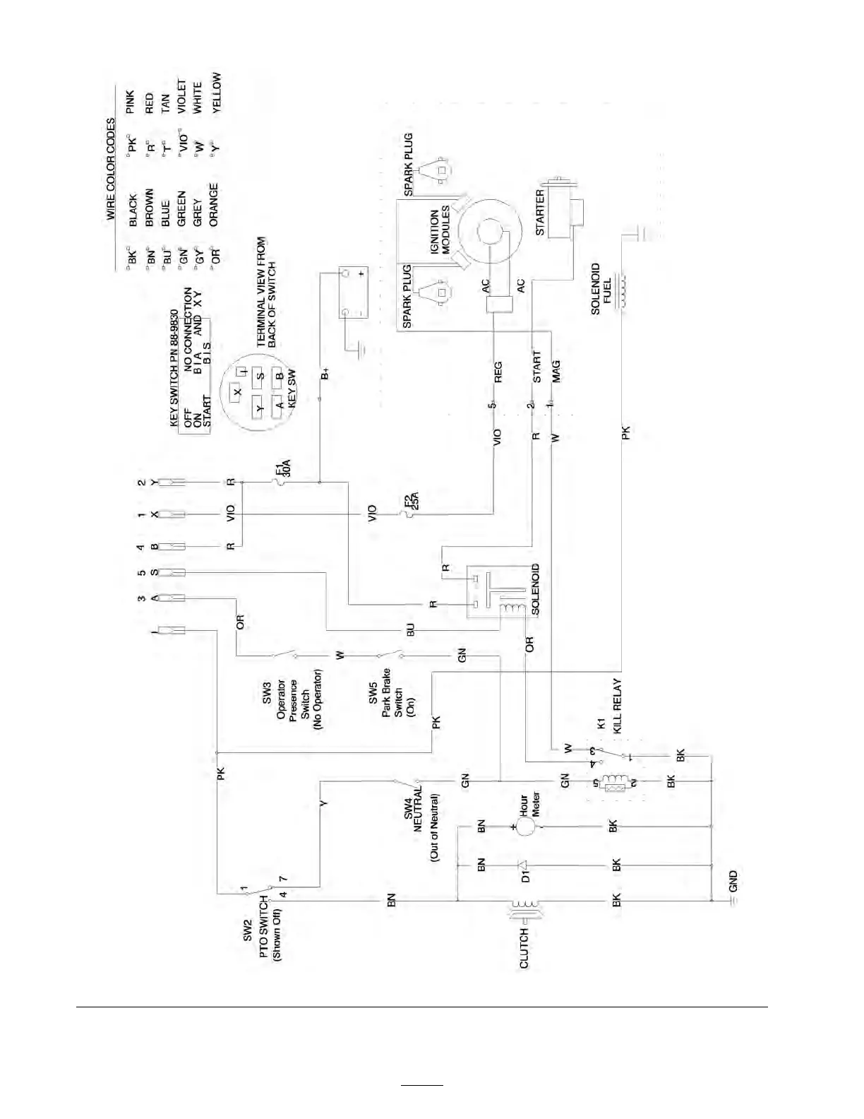
Electrical Schematic (Rev. A)
62

Table of Contents

Related product manuals