EasyManua.ls Logo

Toro 30280 - Schematics

Toro 30280
64 pages
Print Icon
To Next Page IconTo Next Page
To Next Page IconTo Next Page
To Previous Page IconTo Previous Page
To Previous Page IconTo Previous Page
Loading...
Schematics
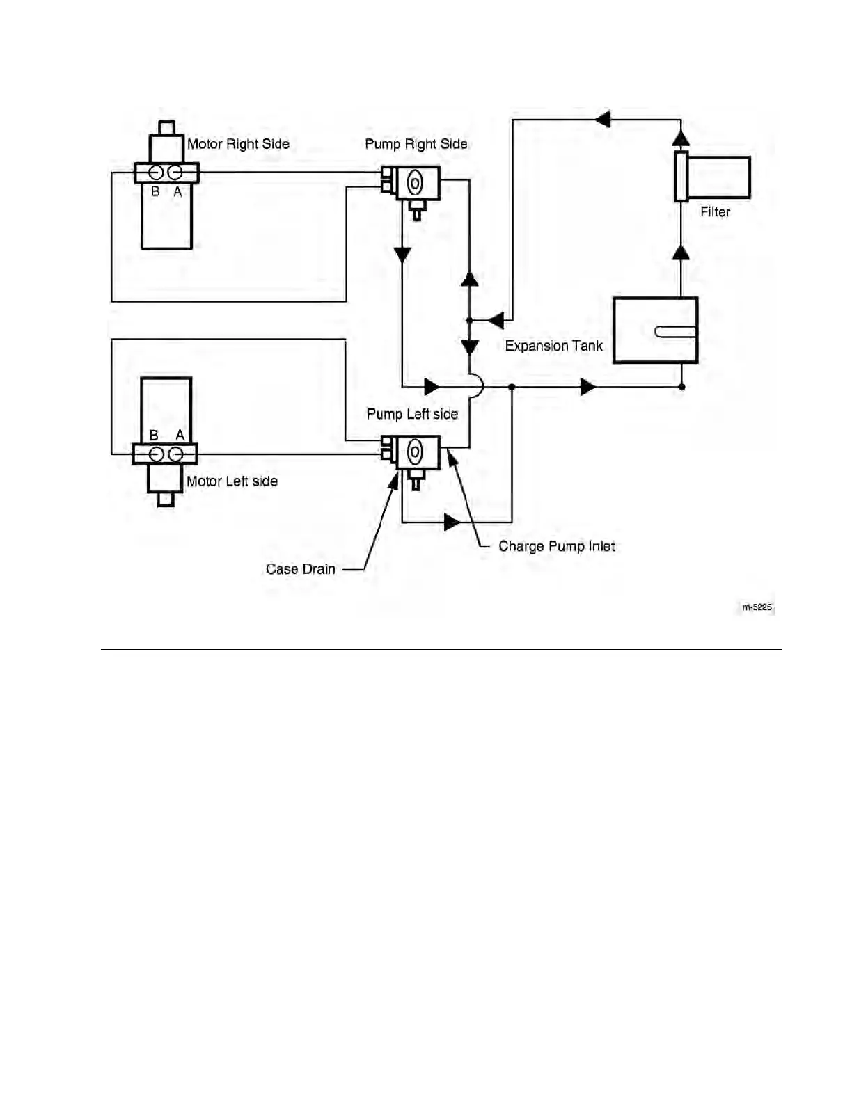
Hydraulic Schematic (Rev. A)
61

Table of Contents

Related product manuals