EasyManua.ls Logo

Toro 30308 - Page 58

Toro 30308
60 pages
Print Icon
To Next Page IconTo Next Page
To Next Page IconTo Next Page
To Previous Page IconTo Previous Page
To Previous Page IconTo Previous Page
Loading...
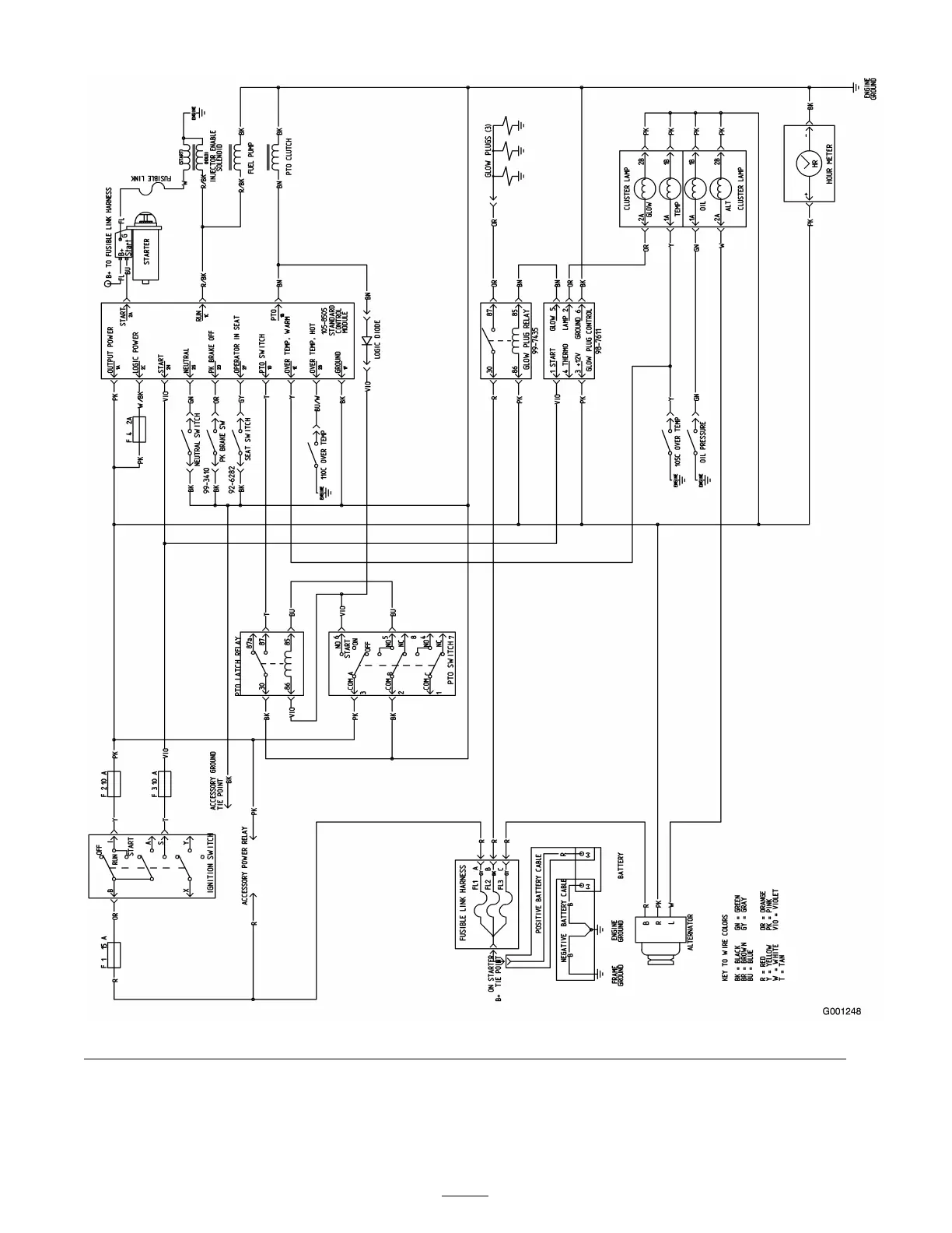
Electrical Schematic (Rev. B)
58

Table of Contents

Other manuals for Toro 30308

Related product manuals