EasyManua.ls Logo

Toro 74990 - Schematics

Toro 74990
76 pages
Print Icon
To Next Page IconTo Next Page
To Next Page IconTo Next Page
To Previous Page IconTo Previous Page
To Previous Page IconTo Previous Page
Loading...
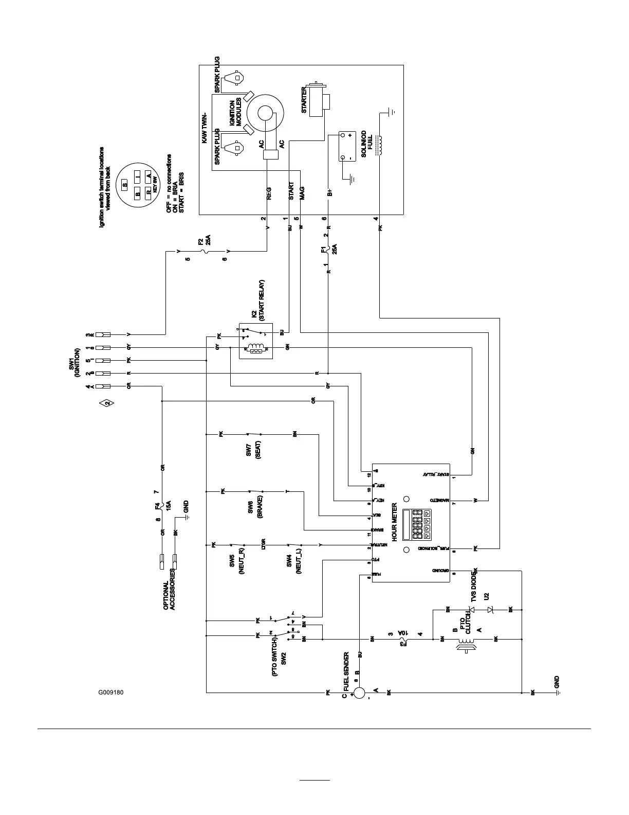
Schematics
g009180
WireDiagram(Rev.A)
73

Table of Contents