EasyManua.ls Logo

Upright MX19 - 2-10 Hydraulic Drive Motors

Upright MX19
86 pages
Print Icon
To Next Page IconTo Next Page
To Next Page IconTo Next Page
To Previous Page IconTo Previous Page
To Previous Page IconTo Previous Page
Loading...
Page 5-6
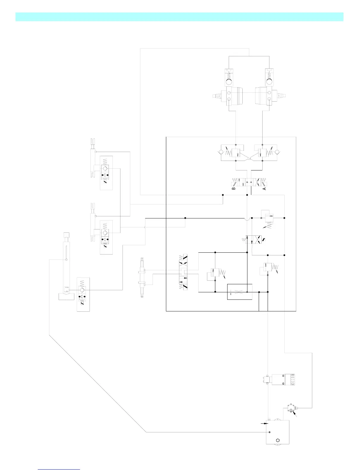
Schematics - Electric
503727-002
Lift Cylinder
CYL2
CT13
CT12
Pothole Cylinders
CYL3
CT12
TNK
FL1
FL2
Steering Cylinder
CYL1
P
PUMP
EXTEND
RETRACT
Drive Motors
PP2
CT4
CT2
T
G
P
CT7
CT3
S1
B
CT5
A
CT6
S2
PP1 L
CT10
CT11
D2
D1
CT9
B
:5.6 Hydraulic Schematic

Table of Contents

Other manuals for Upright MX19

Related product manuals