EasyManua.ls Logo

Upright MX19 - Page 74

Upright MX19
86 pages
Print Icon
To Next Page IconTo Next Page
To Next Page IconTo Next Page
To Previous Page IconTo Previous Page
To Previous Page IconTo Previous Page
Loading...
Page 6-16
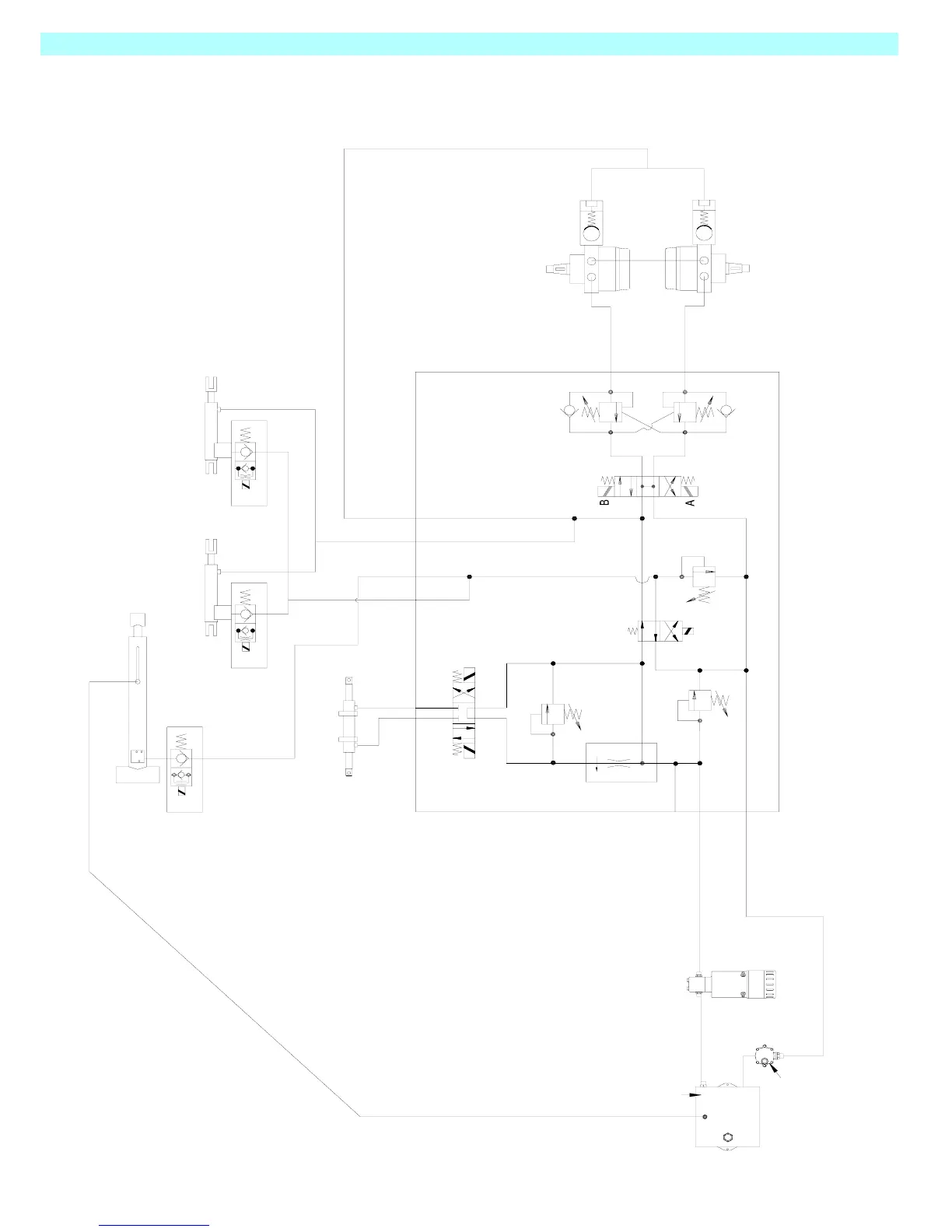
Illustrated Parts Breakdown - Hydraulic Assembly
MX19
Lift Cylinder
CYL2
CT13
CT2
B
G
P
T
CT6
A
PP1 L
PP2
B
CT10
CT9
CT5
CT3
CT7
CT11
CT4
D1
D2
CT12 CT12
Pothole Cylinders
CYL3
EXTEND
RETRACT
TNK
FL1
P
FL2
PUMP
CYL1
Steering Cylinder
S2
S1
Drive Motors
Hydraulic Schematic

Table of Contents

Other manuals for Upright MX19

Related product manuals