EasyManua.ls Logo

Veeder-Root EMR4 - Presets Configuration

Veeder-Root EMR4
80 pages
Print Icon
To Next Page IconTo Next Page
To Next Page IconTo Next Page
To Previous Page IconTo Previous Page
To Previous Page IconTo Previous Page
Loading...
Setup Mode Setup Mode Categories
17
Presets
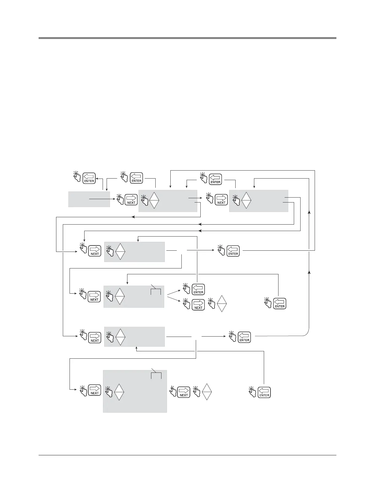
Figure 13 illustrates delivery Presets setup in Setup Mode.
The PRESET ENABLE menu is associated with the PRESET INTERLOCK description and the BATCH ENABLE
menu is associated with the TRANSFER INTERLOCK description. Interlock switches are not provided by Veeder-
Root and are not required when using presets. For more information go to the CONFIGURE I/O menu description
in
Figure 45 of this manual. If desired, The Driver can be allowed to change the Preset/Batch presets in the
Passcode and Setup Access setup in Figure 16.
A Preset delivery is either in units of volume or in units of currency. Once Preset is enabled, 3 preset currency or
volume delivery amounts can be entered here.
A Batch delivery is in units of volume only. Once Batch is enabled, preset delivery volumes for up to 8 different
products can be entered here. The Batch Function has the additional capability of printing a line of text when used
with a “transfer” interlock switch.
Figure 13. Presets Setup
Press ENTER
to accept selection
Press Next to move
the cursor to each
digit of the preset.
Press the +/- key
to change the digit
to the desired value.
VOLUME MODE
CURRENCY MODE
VOLUME PRESET
VOLUME BATCH
+
-
+
+
-
+
PRODUCT 1 XXX
PRODUCT 2 XXX
PRODUCT 3 XXX
PRODUCT 4 XXX
PRODUCT 5 XXX
PRODUCT 6 XXX
PRODUCT 7 XXX
PRODUCT 8 XXX
Press ENTER
to accept selection
Press Next to move
the cursor to each
digit of the preset .
Press the +/- key
to change the digit
to the desired value.
+
-
+
+
-
+
PRESET 1 XXX
PRESET 2 XXX
PRESET 3 XXX
Note: If enabled, this feature lets you enter
3 Volume or 3 Currency delivery presets.
Note: If enabled, this feature lets you enter separate
Volume delivery presets for up to 8 products
Editable
Editable
START MODES
PRESETS
DELIVERY REPORTS
+
-
+
-
+
-
+
PRESET ENABLE
PRESET DISABLE
BATCH DISABLE
BATCH ENABLE
+
-
+
OR
OR
RETURN TO
DEFAULTS
FIGURE 11

Table of Contents

Other manuals for Veeder-Root EMR4

Related product manuals