EasyManua.ls Logo

Vertiv Liebert 10kVA - Line Mode (AC Mode); Battery Mode

Vertiv Liebert 10kVA
92 pages
Print Icon
To Next Page IconTo Next Page
To Next Page IconTo Next Page
To Previous Page IconTo Previous Page
To Previous Page IconTo Previous Page
Loading...
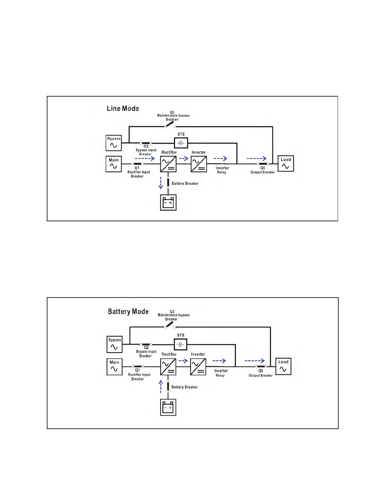
3.1.2 Line mode (AC mode)
In line mode, the rectifier obtains power from the utility and supplies DC power to the inverter while the charger charges the
battery. The inverter filters the DC power before converting it to clean and stable AC power to the load.
Figure 3.2 Line Mode (AC Mode) Diagram
3.1.3 Battery mode
When the utility power fails, the UPS automatically switches to the battery mode in order to avoid interruption in power to the
critical load in the event of power failure.
In battery mode, the rectifier obtains power from the battery and supplies DC power to the inverter. The inverter then filters
the DC power before converting it to clean and stable AC power to the load.
Figure 3.3 Battery Mode Diagram
30 Proprietary and Confidential ©2024 Vertiv Group Corp. 3 Operations
Vertiv™ Liebert® MTP Online UPS User Manual 20-40-80kVA

Related product manuals