EasyManua.ls Logo

Vertiv Liebert 10kVA - Bypass Mode

Vertiv Liebert 10kVA
92 pages
Print Icon
To Next Page IconTo Next Page
To Next Page IconTo Next Page
To Previous Page IconTo Previous Page
To Previous Page IconTo Previous Page
Loading...
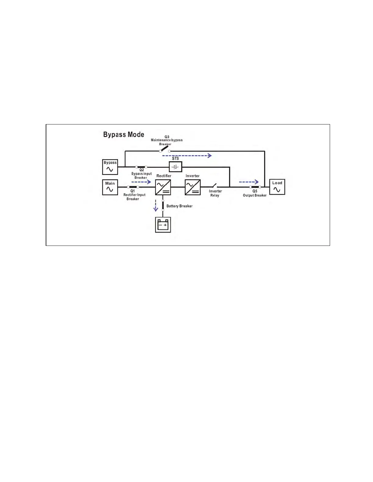
3.1.4 Bypass mode
When the UPS is connected to the utility input power and the BYPASS enable setting is enabled, the UPS will be in bypass
mode until it is turned ON, and the charger function will be activated when the battery is available.
If the UPS encounters any unusual condition such as over temperature or overload. After it has been turned ON, the static
transfer switch will act as a transference and will transfer the load from the inverter to the bypass source without any
interruption. When the abnormal situation is resolved, the UPS will return to line mode if the transference was caused by a
recoverable reason.
Figure 3.4 Bypass Mode Diagram
3 Operations Proprietary and Confidential ©2024 Vertiv Group Corp. 31
Vertiv™ Liebert® MTP Online UPS User Manual 20-40-80kVA

Related product manuals