EasyManua.ls Logo

Vertiv Liebert DSE - Page 98

Vertiv Liebert DSE
136 pages
Print Icon
To Next Page IconTo Next Page
To Next Page IconTo Next Page
To Previous Page IconTo Previous Page
To Previous Page IconTo Previous Page
Loading...
REV : 9
REV DATE : 5/17
DPN002361
Page :1 /2
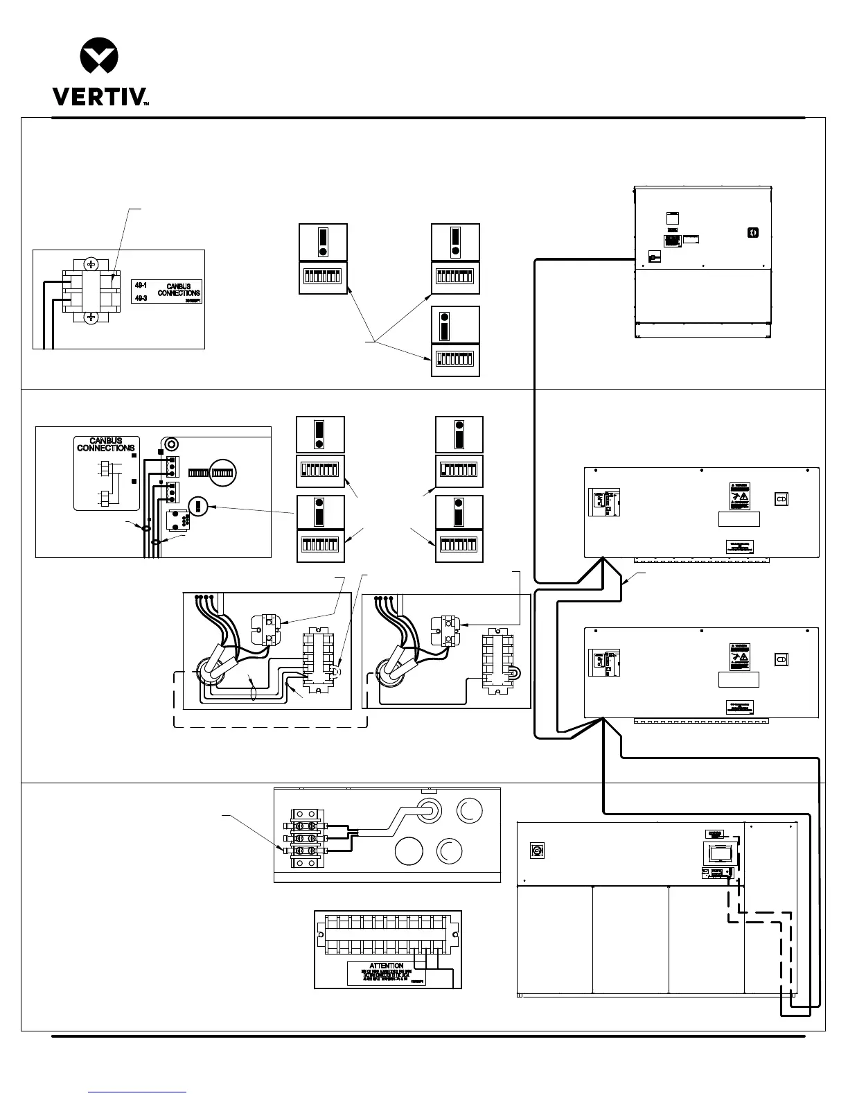
USING 2 LIEBERT MC CONDENSERS & OPTIONAL ECONOPHASE UNIT
Form No.: DPN001040_REV4
CANbus & INTERLOCK CONNECTIONS
LIEBERT DSE
1
INPUT
2
3
CAN H
TB50
OUTPUT
1
2
3
TB49
CAN L
A
ECONOPHASE UNIT
CONDENSER 1
CONDENSER 2
B
C
INDOOR DSE UNIT
NO SHIELD
CONNECTION
1
INPUT
2
3
CAN H
TB50
OUTPUT
1
2
3
TB49
CAN L
HL
HL
31
J6
TB50
TB49
CAN
ON
SW6
70
71
230
SH
70
71
230
SH
1
INPUT
2
3
CAN H
TB50
OUTPUT
1
2
3
TB49
CAN L
CONDENSER 1
CONDENSER 2
F
G
G
1
2
3
3
4
ECONOPHASE CONTROL
BOARD SINGLE CIRCUIT
(FACTORY SET)
CIRCUIT ONE
LAST DEVICE ON CANBUS
(IF PRESENT)
DETAIL 4
CAN CABLE CONNECTION (C)
DETAIL 3
CAN CABLE CONNECTION
CONDENSER 1 (B) (A)
CONDENSER 2 (C) (B)
HEAT REJECTION INTERLOCK
F
A
B
B
C
G
SW6
ON
CAN
ECONOPHASE CONTROL
BOARD DUAL CIRCUIT
(FACTORY SET)
CIRCUIT ONE
TWO
CONDENSERS
CONDENSER 2
TWO CONDENSERS
WITH ECONOPHASE
CONDENSER 2
CONDENSER 1
SW6
ON
CAN
CONDENSER 1
31
J6
SW6
ON
CAN
SW6
ON
CAN
31
J6
SW6
ON
CAN
31
J6
SW6
ON
CAN
31
J6
31
J6
CIRCUIT TWO
31
J6
SW6
ON
CAN
31
J6
SH
49-1
49-3
DETAIL 2
HEAT REJECTION INTERLOCK (F)
DETAIL 1 CAN CABLE CONNECTION (A)
230
71
70
A
F
REMOVE
JUMPER
FACTORY WIRING BETWEEN
CONTROL BOARDS AND
TERMINAL STRIP.
CANBUS
COMMUNICATION CABLE
HEAT REJECTION
INTERLOCK WIRE
HEAT REJECTION INTERLOCK WIRE
CANBUS COMMUNICATION CABLE
SHIELD
CONNECTION
SHIELD CONNECTION
A (CONDENSER 1)
B (CONDENSER 2)
(CONDENSER 1) B
(CONDENSER 2) C
CANbus
ADDRESSING
SWITCH
See sheet 2 for Component notes,
Cable notes, & Wire notes.
CANbus
ADDRESSING
SWITCH
FACTORY WIRING BETWEEN
iCOM AND TERMINAL STRIP

Table of Contents

Other manuals for Vertiv Liebert DSE

Related product manuals