EasyManua.ls Logo

Vertiv Liebert MBSM - Figure 4 Connection Example-Liebert MBSM, Liebert EXL S1 and Transformer Box; Transformer Box Connections

Vertiv Liebert MBSM
34 pages
Print Icon
To Next Page IconTo Next Page
To Next Page IconTo Next Page
To Previous Page IconTo Previous Page
To Previous Page IconTo Previous Page
Loading...
Vertiv
|Liebert
®
MBSM
User Manual | 10
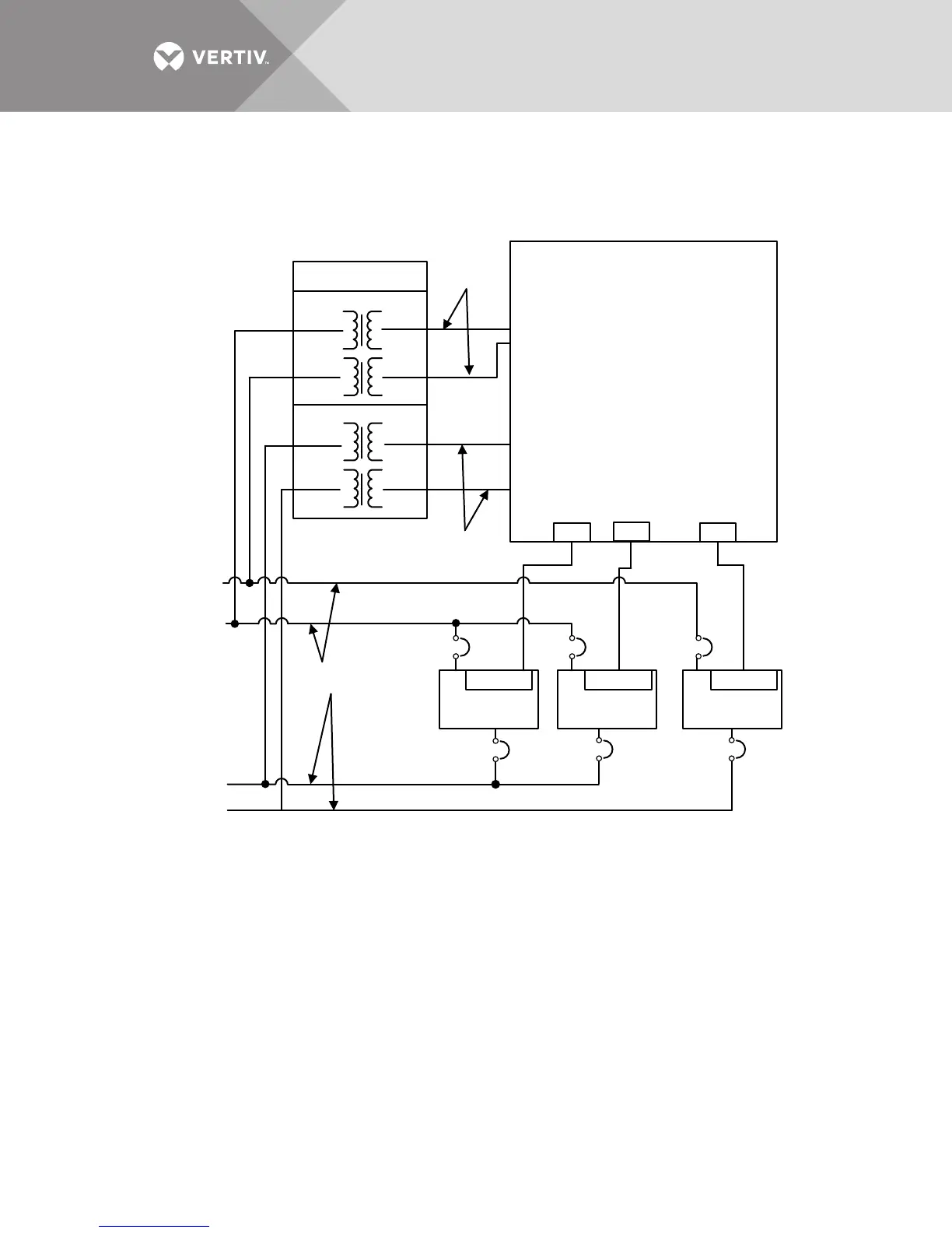
2.6.1 Transformer Box Connections
Figures 4 and 5 show the connections between the Liebert MBSM, UPS(s), and transformer box
(the UPS module Bus A versus B assignments are examples only):
Figure 4 Connection example—Liebert MBSM, Liebert EXL S1 and transformer box
UPS Module 1
AP30-XP31
UPS Module 2
UPS Module X
Transformer Box
Control Power
Reference Inputs
415V 3-Phase
4-Wire + Gnd
230V 1-Phase
Critical
Output
Bus B
Critical
Output Bus A
480V 3-Phase
3-Wire + Gnd
Bypass
Input Line A
Bypass
Input Line B
RJ11 RJ11 RJ11
...
XT1
XT1
XT1
MSBM Box
XP1
...
XPxXP2
AP30-XP31 AP30-XP31

Table of Contents

Related product manuals