EasyManua.ls Logo

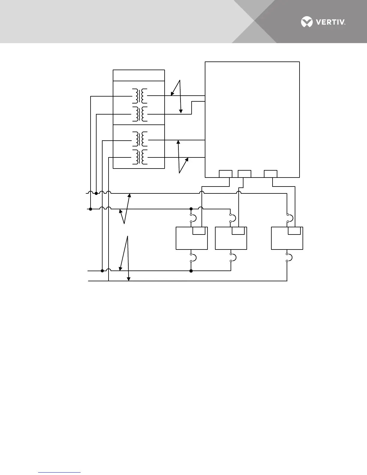
Vertiv Liebert MBSM - Figure 5 Connection Example-Liebert MBSM, Liebert NX and Transformer Box

Vertiv Liebert MBSM
34 pages
Print Icon
To Next Page IconTo Next Page
To Next Page IconTo Next Page
To Previous Page IconTo Previous Page
To Previous Page IconTo Previous Page
Loading...
Vertiv
| Liebert
®
MBSM
User Manual | 11
Figure 5 Connection example—Liebert MBSM, Liebert NX and transformer box
UPS
Module 1
X20
UPS
Module 2
X20
UPS
Module X
X20
XPxXP2XP1
XT1
XT1
XT1
MSBM Box
Transformer Box
Control Power
Reference Inputs
415V 3-Phase
4-Wire + Gnd
230V 1-Phase
Critical
Output
Bus B
Critical
Output Bus A
480V 3-Phase
3-Wire + Gnd
Bypass
Input Line A
Bypass
Input Line B
...
RJ11 RJ11 RJ11
...

Table of Contents

Related product manuals