EasyManua.ls Logo

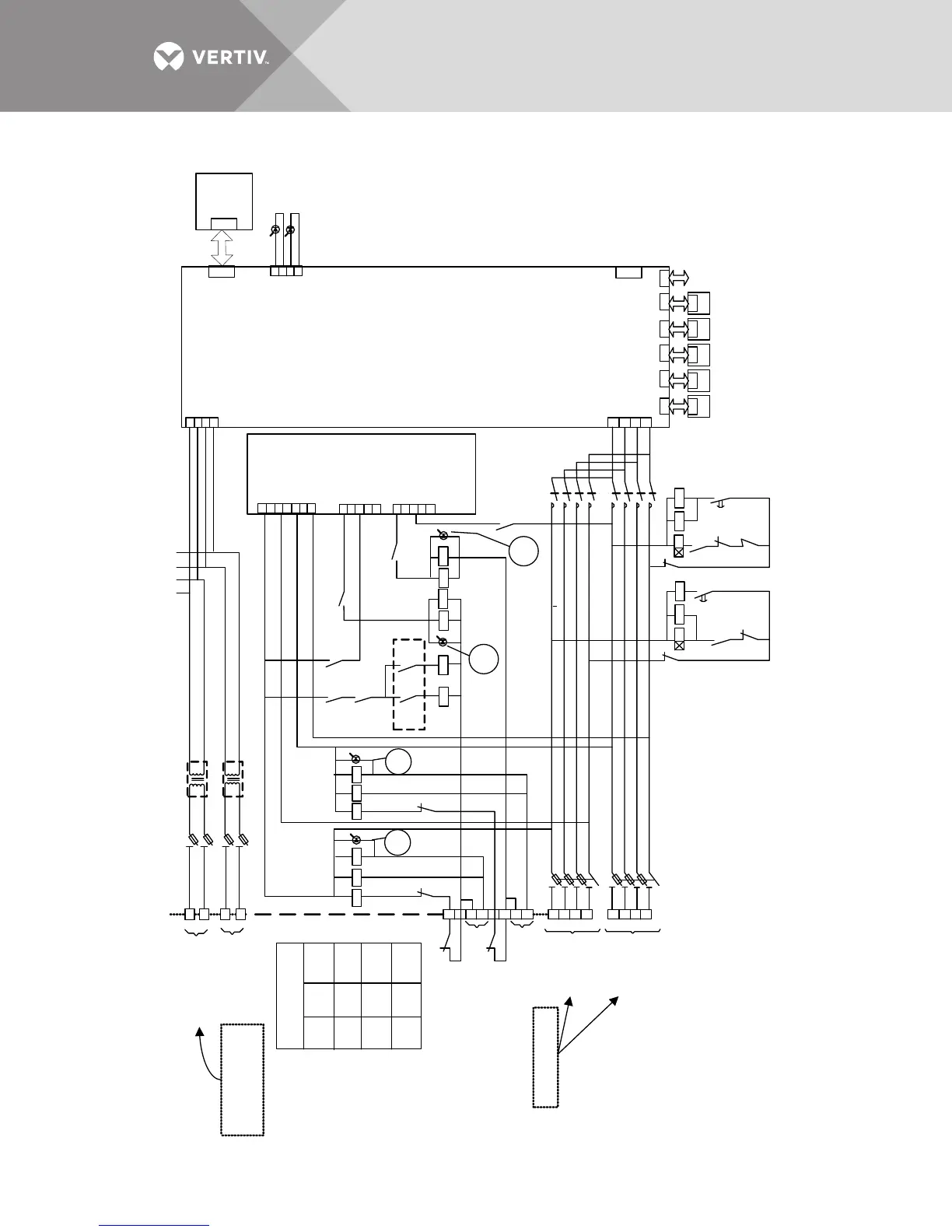
Vertiv Liebert MBSM - Figure 17 Liebert MBSM Control Module

Vertiv Liebert MBSM
34 pages
Print Icon
To Next Page IconTo Next Page
To Next Page IconTo Next Page
To Previous Page IconTo Previous Page
To Previous Page IconTo Previous Page
Loading...
Vertiv
|Liebert
®
MBSM
User Manual | 26
Figure 17 Liebert MBSM Control Module
7PL
7PL
AP2
Board
CHL0413170
F
L
3
4
W
6M
System OK
System Fault
3
4
1
2
44 -
43 +
42 -
41 +
L2
L1
G
R
XP1 XP2 XP3 XP4 XP3 XP 4
RJ-45RJ-45RJ-45RJ-45RJ-45RJ-45
RJ-45
XP 7
4M
1
3
5
7
AP1
UPS5
AP1
UPS4
AP1
UPS3
AP1
UPS2
AP1
UP S 1
Liebert MBSM with Phase Control
(Up to 11 UPS Modules)
Internal Cable Size: 1.5mm
2
3. H 2
K2RSBT2 K2RSB
T2
5
6
7
8
13
14
15
16
17
18
19
20
RPA
RP B
RHA1RH B
RHB1 RH A
R1/3
R2/3
1
2
3
4
5
1
2
3
4
5
2M
3M
37
36
38
08
Y
RSB/1
Bus B
Active
K1
01
02
03
04
05
06
07
08
K1
K2
K2
Bus A
Active
Y
39
40
04
01
02
03
04
05
06
07
08
01
02
03
04
05
06
07
08
F1
F2
F3
F5
F7
F6
Link
Link
3 x Fuse 5A
3 x F us e 5 A
34
08
31
R1/2
R2/2
RSA/2
Forced
Bus A
Y
R6/1
SW1/1
SW1/2
On the
Door
43A
41A
42A
R2 R6 R7
33 3 3 33
Forced
Bus B
Y
R1 R4 R5
30 32 32
R4/1
01
04
05
06
2 x Fuse 4A
09
11
10
12
F9
F11
F10
F12
09
11
10
12
17
19
18
20
2 x Fuse 4A
TM1
TM2
A
A1
A
A1
B
B1
B
B1
12
11
10
9
44
21
23
24
T1
1"
R1/1
RSA/1
T2
1"
R2/1
RPB/1
RPA/1
25
29
26
27
28
1
2
3
4
5
6
7
1M
AP3
Synchronism Detector
(P.N. 15B10889G1)
Dwg. 15H70853
AP1
Syst em Synchroni zation
Control Board
(P.N. 15B10777G2)
Dwg. 15H70783
1
2
4
5
[4.F9][4.F9]
1M
13
14
15
16
XT1
From Output Busbar 1
From Output Busbar 2
220-240/50-60Hz
220-240/50-60Hz
(L)
(L)
(M)
(M)
From UPS A Reserve OK
Fr om UPS B Reser ve OK
Close Forced on Source B
Close Forced on Source A
From Reserve
Input Li ne A
380-415/50-60Hz
From Reserve
Input Li ne B
380-415/50-60Hz
(W)
(U)
(V)
(N)
(W)
(U)
(V)
(N)
1
2
3
4
Reference Bus
Inpu ts
Control Power
(1 Inp ut from Each
Critical Bus Output)
OFF OFF Automatic
Input A / Input B = OK
R1 = R2 = ON
SW1 SW2 Priority
ON OFF P = A
OFF ON P = B
10H72985
Pg. 3, Rev. 1

Table of Contents

Related product manuals