EasyManua.ls Logo

Viper AS5160 - Page 39

Viper AS5160
84 pages
Print Icon
To Next Page IconTo Next Page
To Next Page IconTo Next Page
To Previous Page IconTo Previous Page
To Previous Page IconTo Previous Page
Loading...
MANUEL UTILISATEUR
FRANÇAIS
37
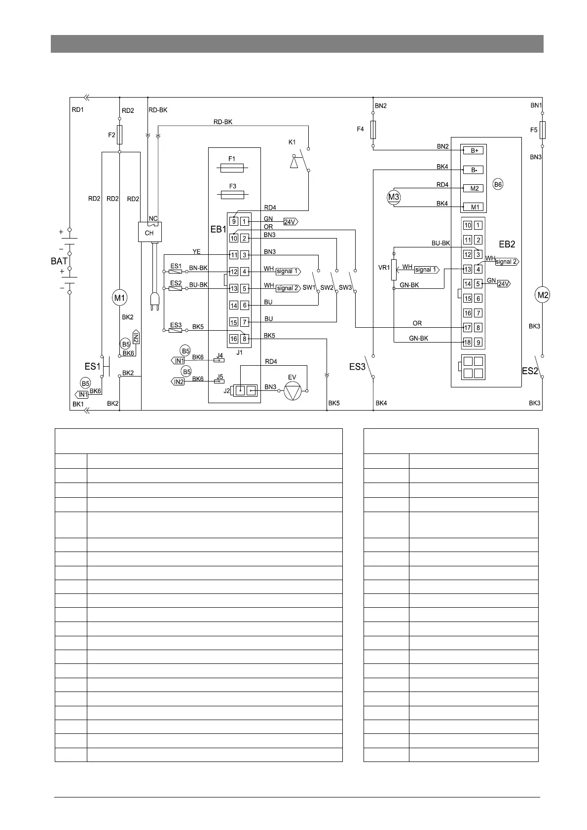
SCHÉMA DE BLAGE (UNIQUEMENT POUR LA MACHINE À DISQUE AVEC
TRACTION)
COMPOSANTS
JAUGE
BAT
BATTERIES DE 24V
RD1
ROUGE/6AWG
CH
CHARGEUR DE BATTERIES
RD2
ROUGE/10AWG
EB1
PANNEAU DE COMMANDE
RD4
ROUGE/20AWG
EB2
CIRCUIT ÉLECTRONIQUE (SYSTÈME DE TRACTION)
BK1
NOIRE/6AWG
ES1
COMMUTATEUR ÉLECTROMAGNÉTIQUE DE 24V (MOTEUR
DE LA BROSSE)
BK2
NOIR/10AWG
ES2
RELAIS DE 24V (MOTEUR DE L'ASPIRATEUR)
BK3
NOIR/12AWG
ES3
RELAIS DE 24V (SYSME DE TRACTION)
BK4
NOIR/14AWG
F1
FUSIBLE DU FAIBLE CIRCUIT ÉLECTRIQUE
BK5
NOIR/20AWG
F2
DISJONCTEUR (MOTEUR DE LA BROSSE)
BK6
NOIR/16AWG
F3
FUSIBLE À RELÂCHEMENT DE LA BROSSE
RD-BK
ROUGE-NOIR/20AWG
F4
DISJONCTEUR (SYSTÈME DE TRACTION)
GN
VERT/20AWG
F5
DISJONCTEUR (MOTEUR DE L'ASPIRATEUR)
GN-BK
VERT-NOIR/20AWG
C1
CLÉ DE CONTACT
BN1
MARRON/12AWG
M1
MOTEUR DE LA BROSSE
BN2
NOIR/14AWG
M2
MOTEUR DE L'ASPIRATEUR
BN3
MARRON/20AWG
M3
MOTEUR D'ENTRAÎNEMENT
BN-BK
MARRON-NOIR/20AWG
EV
ÉLECTROVANNE
BU
BLEU/20AWG
SW1
COMMUTATEUR DE CURITÉ (BROSSE/TRACTION)
BU-BK
BLEU-NOIR/20AWG
SW2
COMMUTATEUR DE CURITÉ (BROSSE/TRACTION)
OU
ORANGE/20AWG
SW3
CONTACTEUR-INVERSEUR
YE
JAUNE/20AWG
VR1
POTENTIOMÈTRE DE VITESSE
WH
BLANC/20AWG

Table of Contents

Other manuals for Viper AS5160

Related product manuals