EasyManua.ls Logo

Vitronics Soltec mySelective 6748 - Page 40

Vitronics Soltec mySelective 6748
171 pages
Print Icon
To Next Page IconTo Next Page
To Next Page IconTo Next Page
To Previous Page IconTo Previous Page
To Previous Page IconTo Previous Page
Loading...
8
7
6
5
4
3
2
1
EN 60204-1
+
=
DateVersion Name
Norm
Last mod
Checked
Author
Sheet
of
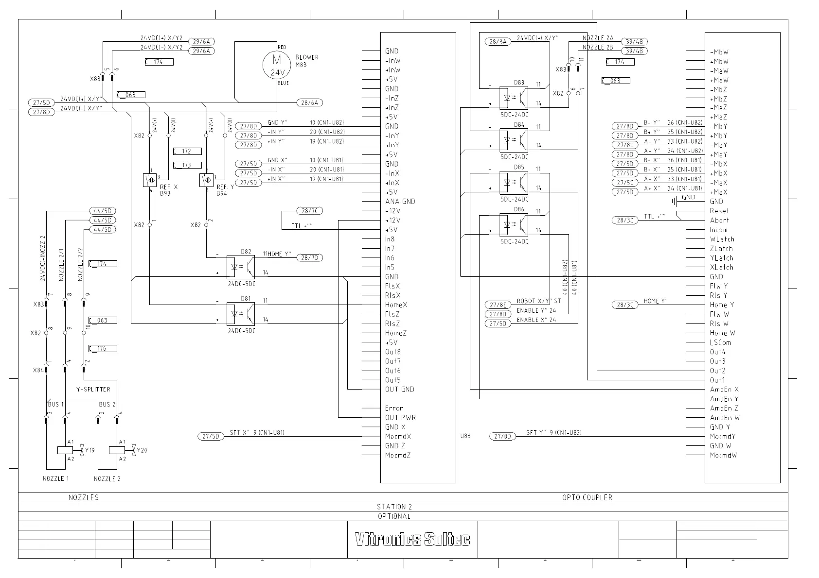
MACHINETYPE DESCRIPTION
INSERT SHEET FOR
PROJECT CODE
1 2
28
3 4
OPTO COUPLER
11/12/2008
5
MULTI FLUXER STATION 2
6 7 8
A
B
C
510583
MULTI FLUXER
78
D
E
MYSELECTIVE 6748
6748
F
ELECTRIC CIRCUIT DIAGRAM
MHW

Other manuals for Vitronics Soltec mySelective 6748

Related product manuals