EasyManua.ls Logo

Wartsila 46DF - Page 157

Wartsila 46DF
242 pages
Print Icon
To Next Page IconTo Next Page
To Next Page IconTo Next Page
To Previous Page IconTo Previous Page
To Previous Page IconTo Previous Page
Loading...
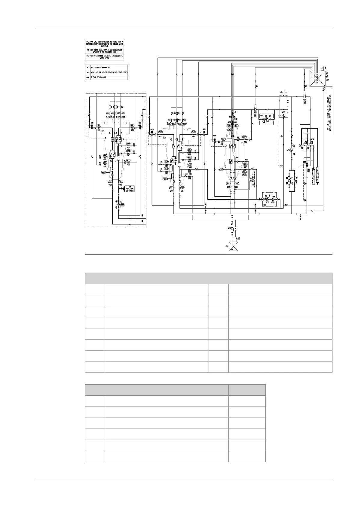
Fig 9-6 Cooling water system, multiple engine combined LT/HT (DAAF418508)
System components:
Air venting4S01Heater (preheater)4E05
Additive dosing tank4T03Central cooler4E08
Drain tank4T04Cooler (Installation parts)4E12
Expansion tank4T05Preheating unit4N01
Temperature control valve (HT)4V01Evaporator unit4N02
Temp control valve (heat recovery)4V02Transfer pump4P09
Temp control valve (central cooler)4V08Circulating pump (HT)4P14
Temperature control valv (charge air)4V09Circulating pump (LT)4P15
SizePipe connections:
DN150HT-water inlet401
DN150HT-water outlet402
OD15HT-water air vent404
DN150HT-water from preheater to HT-circuit406
DN150HT-water from stand-by pump408
OD22HT-water drain411
DBAD209883 9-9
9. Cooling Water SystemWärtsilä 46DF Product Guide

Table of Contents

Related product manuals