EasyManua.ls Logo

Wavetek 3000 - Page 169

Wavetek 3000
225 pages
Print Icon
To Next Page IconTo Next Page
To Next Page IconTo Next Page
To Previous Page IconTo Previous Page
To Previous Page IconTo Previous Page
Loading...
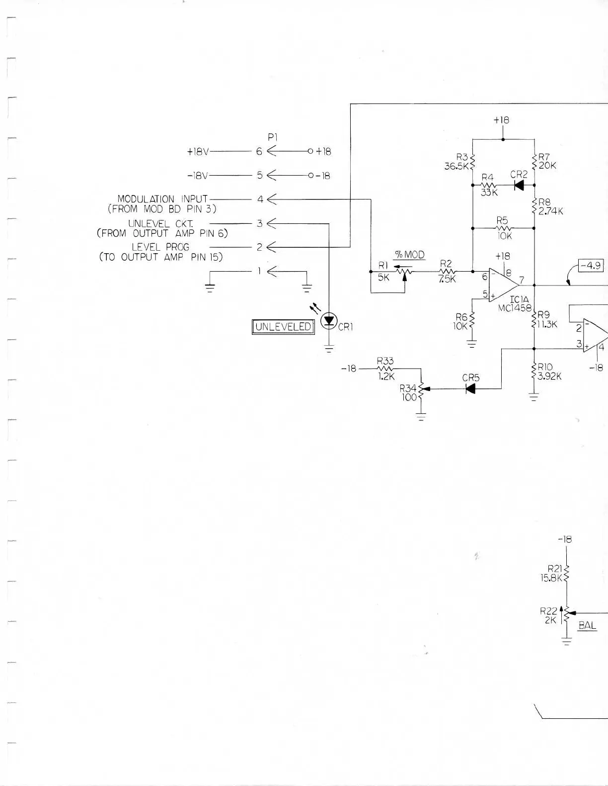
MODULATION
INPUT-
(FROM
MOD
BD
PIN
3)
UNLEVEL
CKT
(FROMOUTPUT
AMP
PIN
6)
LEVEL
PROG
-
(TO
OUTPUTAMP
PIN
15)
+18V
-18V
1
UNLEVELED
Pl
6
<
0+18
5
E
0-18

Table of Contents

Related product manuals