EasyManua.ls Logo

Wavetek 3000 - Page 170

Wavetek 3000
225 pages
Print Icon
To Next Page IconTo Next Page
To Next Page IconTo Next Page
To Previous Page IconTo Previous Page
To Previous Page IconTo Previous Page
Loading...
m
3
5
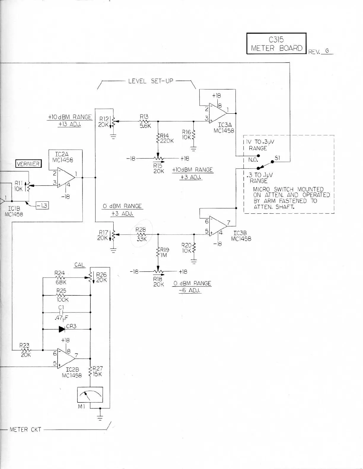
R12I
20K
k,
.M4
lq
0
dBM
RANGE
+3
ADJ
.
3
5
.6K
A
R16
MC1458
2
OK
lOK
-18
^yti
-
+16
R28
215
20K
+IOdBM
RANGE
+3
ADJ
.
6
5
7
I
N
.O
.
ICIB
VERNIER
R11
IOK
I
1
MC1458
P23
20K
-
METER
CKT
+IOdBM
RANGE
+13
ADJ
.
R24
4
-18
CAL
IC2B
MC
1458
Ml
R17
20
K
1
LEVEL
SET-UP
P13
33K
R19
lM
R20
IOK
218
20K
0
d
BM
RANGE
-6
ADJ
.
IC3B
MC1458
C315
METER
BOARD
11V
TO
.3pV
I
RANGE
.3
TO
.l
pV
Sl
BY
ARM
FASTENED
TO
ATTEN
.
SHAFT
.
REV
.
RANGE
MICRO
SWITCH
MOUNTED
ON
ATTEN
.
AND
OPERATED

Table of Contents

Related product manuals