EasyManua.ls Logo

Wega WBAR EVD - Hydraulic Diagrams; Hydraulic Diagram EVD;2

Wega WBAR EVD
52 pages
Print Icon
To Next Page IconTo Next Page
To Next Page IconTo Next Page
To Previous Page IconTo Previous Page
To Previous Page IconTo Previous Page
Loading...
TECHNICIANS' manual
- English -
48 di 52
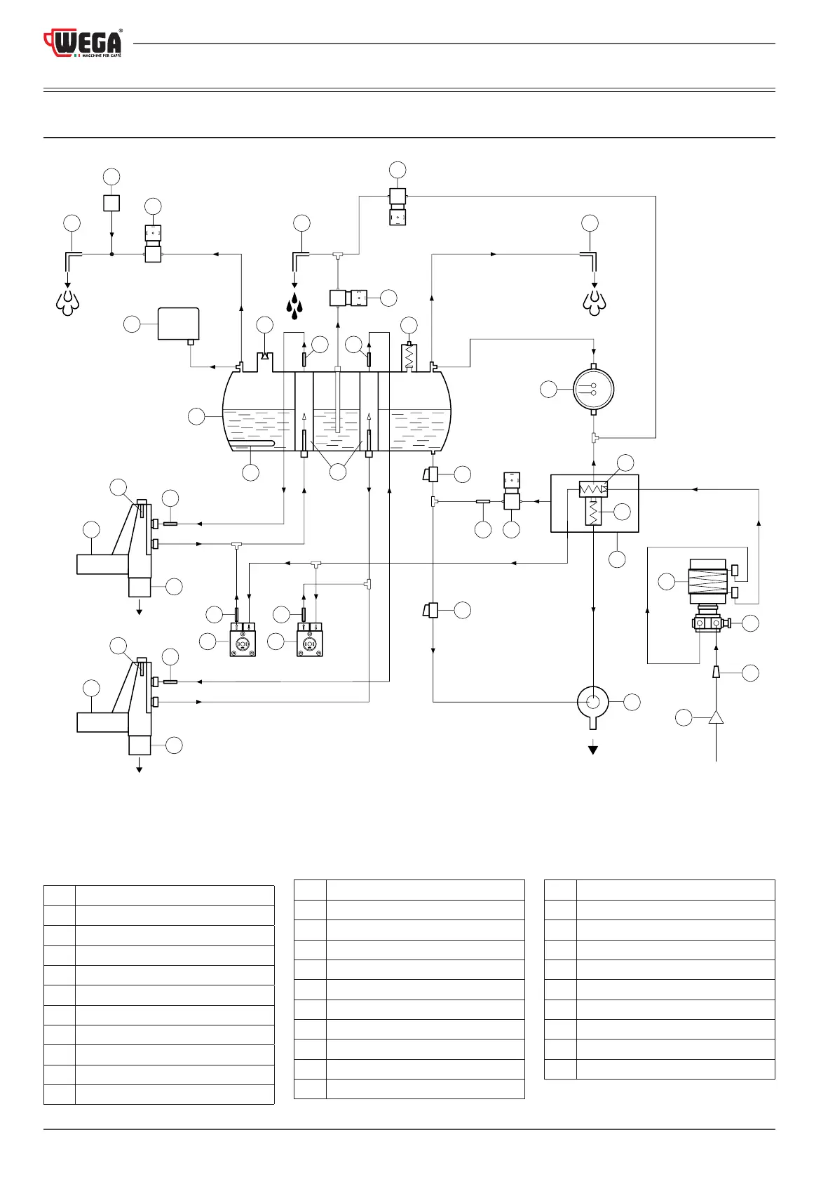
13. HYDRAULIC DIAGRAMS
13.1 Hydraulic Diagram EVD/2
-
O
+
-
O
+
22
23
24
20
27
29
21
27
25
8
6
5
3
4
2
1
11
S
S
S
928
10
18
17
15 15
27
14
12
13
7
19
16
26
31
10
27
14
12
13
30 30
1 Water mains inlet
2 Water inlet filter
3 Motor pump
4 Pump pressure adjustment
5 Multifunctional dispenser
6 Expansion valve
7 Non-return valve
8 Pressure gauge
9 Filling solenoid valve
10 Tap
11 Drain tray
12 Dispensing group
13 Dispensing group solenoid valve
14 Ø 0.7 injector
15 Volumetric dosing device
16 Heating unit
17 Heating unit heating element
18 Heat exchanger
19 Pressure switch
20 Negative pressure valve
21 Safety valve
22 Frothed milk steam nozzle
23 Frothed milk solenoid valve
24 Hot water spout
25 Steam spout
26 Air pump
27 Ø 4 / 2,5 injector
28 Ø 1,2 injector
29 Hot Water solenoid valve
30 Ø 0,6 Gicleur
31 Cold Water solenoid valve
S Drainage

Table of Contents

Related product manuals